Pila eléctrica

.jpg)
Con el nombre pila eléctrica se hace referencia a un dispositivo capaz de convertir energía química en energía eléctrica mediante un proceso químico transitorio de intercambio de electrones, conocido como reacción de oxidación-reducción (reacción redox), que se produce al conectar los electrodos del dispositivo.[1] Una vez que la reacción se ha completado, cesa su actividad y han de renovarse sus elementos constituyentes, puesto que sus características resultan alteradas durante el mismo. Se trata de un generador primario (no recargable) o secundario (recargable).[2] Esta energía resulta accesible mediante dos terminales que tiene la pila, llamados polos, electrodos o bornes. Uno de ellos es el polo positivo o cátodo y el otro es el polo negativo o ánodo. La estructura fundamental de una pila consiste en dos electrodos, metálicos en muchos casos, introducidos en una disolución conductora de la electricidad o electrolito. Básicamente y en definitiva, una pila eléctrica es el formato industrializado y comercial de la celda galvánica o voltaica.
Lo correcto es utilizar el término pila cuando se menciona al dispositivo que posee una sola celda de energía y baterías cuando posee dos o más celdas de energía, aunque según países y contextos los términos pueden intercambiarse o confundirse.[1]
En este artículo se describen las pilas no recargables.
Nombre
En el español ha habido por costumbre llamarla así, mientras que al dispositivo recargable o acumulador, se le ha venido llamando batería. Tanto pila como batería son términos provenientes de los primeros tiempos del estudio de la electricidad, cuando se juntaban varios elementos, discos metálicos o celdas. En el primer caso uno encima de otro, “apilados” (en paralelo), y en el segundo adosados lateralmente (en serie), “en batería”— como se sigue haciendo actualmente, para así aumentar la magnitud de los fenómenos eléctricos y poder estudiarlos sistemáticamente
Historia

La primera pila eléctrica fue la llamada pila voltaica, que fue dada a conocer por Alessandro Volta en 1800 mediante una carta que envió al presidente de la Royal Society londinense. Se trataba de una serie de pares de discos (apilados) de zinc y de cobre (o también de plata), separados unos de otros por trozos de cartón o de fieltro impregnados de salmuera, que medían unos 3 cm de diámetro. Cuando se fijó una unidad de medida para la diferencia de potencial, el voltio (precisamente en honor de Volta) se pudo saber que cada uno de esos elementos suministraba una tensión de 0,75 V aproximadamente, pero ninguno de estos conceptos se conocía entonces. Su apilamiento conectados en serie permitía aumentar la tensión a voluntad, otro descubrimiento de Volta. El invento constituía una novedad absoluta y gozó de un éxito inmediato y muy merecido, ya que inició la era eléctrica en que actualmente vivimos, al permitir el estudio experimental preciso de la electricidad, superando las enormes limitaciones que presentaban para ello los generadores electrostáticos, que son los únicos que existían hasta el momento. Otro tipo más temprano de configuración también utilizada y descrita por Volta para el aparato estaba formada por una serie de vasos con líquido (unos junto a otros, en batería), en los que se sumergían las tiras de los metales, conectando externamente un metal con otro.
Inmediatamente empezaron a hacerse por toda Europa y América innumerables pruebas con diversos líquidos, metales y configuraciones, tratando de mejorar las características del aparato original, cosa que pocas veces se consiguió, pero que originó una infinidad de distintos tipos de pilas, de los cuales no ha quedado memoria más que de los más notables.
La pila Daniell, inventada por John Frederic Daniell, dada a conocer en 1836 y de la que luego se han usado ampliamente determinadas variantes constructivas, está formada por un electrodo de cinc sumergido en una disolución de sulfato de cinc y otro electrodo de cobre sumergido en una disolución concentrada de sulfato de cobre. Ambos electrolitos están separados por una pared porosa para evitar su reacción directa. En esta situación, la tensión de disolución del cinc es mayor que la presión de los iones Zn++ y el electrodo se disuelve, emitiendo Zn++ y quedando cargado negativamente, proceso en el que se liberan electrones y que recibe el nombre de oxidación. En la disolución de sulfato de cobre, debido a su gran concentración de iones Cu++, se deposita Cu sobre el electrodo de este metal que, de este modo, queda cargado positivamente mediante el proceso denominado reducción, que implica la incorporación de electrones. Esta pila presenta una diferencia de potencial de 1,07 a 1,14 V entre sus electrodos. Su gran ventaja respecto a otras de su tiempo fue la constancia del voltaje generado, debido a la elaborada configuración, que facilita la despolarización, y a la reserva de electrolito, que permite mantener su concentración durante más tiempo.
La pila Grove (1839) utiliza como despolarizador el ácido nítrico HNO3. Su diferencia de potencial o fuerza electromotriz es de 1,9 a 2,0 V. Originariamente utilizaba platino para el ánodo, pero Cooper y Bunsen lo sustituyeron luego por carbón. El cátodo era de cinc tratado con mercurio. Fue muy apreciada por su estabilidad y su mayor energía, a pesar del gran inconveniente que representa la emisión de humos corrosivos. El propio Grove elaboró, ese mismo año, una pila que producía energía eléctrica por medio de la recombinación de hidrógeno y de oxígeno, lo que constituye el precedente de los generadores contemporáneos conocidos como pilas de combustible.

La pila Leclanché, diseñada por Georges Leclanché en 1868, utiliza una solución de cloruro amónico en la que se sumergen electrodos de cinc y de carbón, rodeado este último por una pasta de dióxido de manganeso y polvo de carbón como despolarizante. Suministra una tensión de 1,5 V y su principal ventaja es que se almacena muy bien, pues el cinc no es atacado más que cuando se extrae corriente del elemento.
Este tipo de pila sirvió de base para el importante avance que constituyó la pila denominada seca, al que pertenecen prácticamente todas las utilizadas hoy. Los tipos hasta ahora descritos eran denominados húmedos, pues contenían líquidos, que no solo hacían inconveniente su transporte, sino que solían emitir gases peligrosos y olores desagradables. Las pilas secas, en cambio, estaban formadas por un recipiente cilíndrico de cinc, que era el polo negativo, relleno de una pasta electrolítica, y por una barra de carbón en el centro (electrodo positivo), todo ello sellado para evitar fugas. Previamente se había realizado otro tipo de pilas secas, como la de Zamboni (1812), pero eran dispositivos puramente experimentales, que no proporcionaban ninguna corriente útil. La sequedad es relativa, en primer lugar porque un elemento rigurosamente seco no suministraría electricidad alguna, de modo que lo que se encuentra en el interior de las pilas es una pasta o gel, cuya humedad se procura por todos los medios conservar, pero además porque el uso y el paso del tiempo tienden a corroer el contendedor, de modo que la pila puede verter parte de su electrolito al exterior, donde puede atacar a otros metales. Por esta razón se recomienda extraerlas cuando no se utilizan durante mucho tiempo o cuando ya han trabajado mucho. Este inconveniente está muy atenuado en los productos de finales del siglo XX gracias a la utilización de recipientes de acero inoxidable, pero todavía se produce alguna vez.
Importantes en otro sentido han sido las pilas patrón, destinadas a usos de calibración y determinación de unidades, como la pila Clark (1870), de cinc y mercurio, cuya tensión era de 1,457 V, y la pila Weston (1891), de cadmio y mercurio, con 1,018 V. Estas tensiones se miden en vacío, es decir, sin tener ninguna carga externa conectada, y a una temperatura constante de 20 °C.
Principio de funcionamiento

Aunque la apariencia de cada una de estas celdas sea simple, la explicación de su funcionamiento dista de serlo y motivó una gran actividad científica en los siglos XIX y XX, así como diversas teorías.
Las pilas básicamente consisten en dos electrodos metálicos sumergidos en un líquido, sólido o pasta que se llama electrolito. El electrolito es un conductor de iones. Cuando los electrodos reaccionan con el electrolito, en uno de los electrodos (el ánodo) se producen electrones (oxidación), y en el otro (cátodo) se produce un defecto de electrones (reducción). Cuando los electrones sobrantes del ánodo pasan al cátodo a través de un conductor externo a la pila se produce una corriente eléctrica.[3] Como puede verse, en el fondo, se trata de una reacción de oxidación y otra de reducción que se producen simultáneamente.
Características, propiedades y forma de utilizar las pilas
Tensión eléctrica
La diferencia de potencial, voltaje o tensión que produce un elemento electroquímico o celda electroquímica viene determinado por la naturaleza de las sustancias de los electrodos y del electrolito, así como por su concentración. Walther Nernst obtuvo el premio Nobel de química de 1920 por haber formulado cuantitativamente y demostrado las leyes que rigen este fenómeno.

La conexión de elementos en serie (apilando elementos o poniéndolos en batería) permite multiplicar esta tensión básica cuanto se quiera.
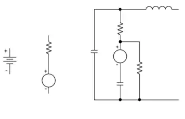
Las propiedades puramente eléctricas de una pila se representan mediante el modelo adjunto. En su forma más sencilla, está formado por una fuente de tensión perfecta —es decir, con resistencia interna nula— en serie con un resistor que representa la resistencia interna. El condensador de la versión más compleja es enormemente grande y su carga simula la descarga de la pila. Además de ello, entre los terminales también aparece una capacitancia, que no suele tener importancia en las aplicaciones de corriente continua.

Una vez fijada la tensión, la ley de Ohm determina la corriente que circulará por la carga y consecuentemente el trabajo que podrá realizarse, siempre que esté, naturalmente, dentro de las posibilidades de la pila, que no son infinitas, sino que están limitadas fundamentalmente por el tamaño de los electrodos —lo que determina el tamaño externo de la pila completa— y por su separación. Estos condicionamientos físicos se representan en el modelo de generador como una resistencia interna por la que pasaría la corriente de un generador ideal, es decir, de uno que pudiese suministrar una corriente infinita al voltaje predeterminado.
Conforme la célula se va gastando, su resistencia interna va aumentando, lo que hace que la tensión disponible sobre la carga vaya disminuyendo, hasta que resulte insuficiente para los fines deseados, momento en el que es necesario reemplazarla. Para dar una idea, una pila nueva de las ordinarias de 1,5 V tiene una resistencia interna de unos 350 mΩ, mientras que una vez agotada puede aumentar considerablemente este valor. Esta es la razón de que la mera medición de la tensión con un voltímetro no sirva para indicar el estado de una pila. En circuito abierto, incluso una pila gastada puede indicar 1,4 V, dada la carga insignificante que representa la resistencia de entrada del voltímetro, pero, si la medición se hace con la carga que habitualmente podría soportar, la lectura bajará a 1,0 V o menos, momento en que esa pila ha dejado de tener utilidad. Las actuales pilas alcalinas tienen una curva de descarga más suave que las antiguas de carbón. Su resistencia interna aumenta proporcionalmente más despacio.
Cuando se necesita una corriente mayor que la que puede suministrar un elemento único, siendo su tensión en cambio la adecuada, se pueden añadir otros elementos en la conexión llamada en paralelo, es decir, uniendo los polos positivos de todos ellos, por un lado, y los negativos, por otro. Este tipo de conexión tiene el inconveniente de que, si un elemento falla antes que sus compañeros o se cortocircuita, arrastra irremisiblemente en su caída a todos los demás.
En las características reacciones químicas, las que se producen dentro de una pila son sensibles a la temperatura y, normalmente, se aceleran cuando esta aumenta, lo que se traducirá en un pequeño aumento de la tensión. Más importante es el caso de la bajada, pues cuando se alcanzan las de congelación muchas pilas pueden dejar de funcionar o lo hacen defectuosamente, cosa de la que suelen advertir los fabricantes. Como contrapartida, si se almacenan las pilas refrigeradas, se prolongará su buen estado.
Duración fuera de servicio
Lo ideal sería que las reacciones químicas internas no se produjeran más que cuando la pila esté en servicio, pero la realidad es que las pilas se deterioran con el paso del tiempo, aunque no se usen, pues los electrodos resultan atacados en lo que se conoce con el nombre de acción local. Puede considerarse que una pila pierde unos 6 mV por mes de almacenamiento, aunque depende mucho de la temperatura. Actualmente, esto no constituye un problema grave pues, dado el enorme consumo que hay de los tipos corrientes, las que se ofrecen en el comercio son de fabricación reciente. Algunos fabricantes imprimen en los envases la fecha de caducidad del producto.
Tipos de acumuladores por su naturaleza interna
Por lo que a su naturaleza interna se refiere, características electroquímicas, se encuentran habitualmente en el comercio pilas de los tipos que se detallan a continuación. A continuación, se enumeran los principales tipos que se comercializan y su composición química:[1]
Pila salina
Las pilas secas, de zinc-carbono o pilas comunes están formadas por un recipiente cilíndrico de zinc, que es el polo negativo, relleno de una pasta electrolítica, y por una barra de carbón en el centro (electrodo positivo), todo ello sellado para evitar fugas.
Las medidas aproximadas de una pila común son:
- Pila de 9 V: 50 mm × 26 mm × 17 mm.
- Pila AA: 50 mm de longitud y 14 mm de diámetro.
- Ventajas
- No se descargan si no están en uso.
- Desventajas
- Una pila puede llegar a contaminar 3 000 litros de agua
Pilas alcalinas
En 1866, Georges Leclanché inventa en Francia la pila Leclanché, precursora de la pila seca (zinc-dióxido de manganeso), sistema que aún domina el mercado mundial de las baterías primarias. Las pilas alcalinas (de «alta potencia» o «larga vida») son similares a las de Leclanché, pero, en vez de cloruro de amonio, llevan cloruro de sodio o de potasio. Duran más porque el zinc no está expuesto a un ambiente ácido como el que provocan los iones de amonio en la pila convencional. Como los iones se mueven más fácilmente a través del electrolito, produce más potencia y una corriente más estable.
Las pilas secas alcalinas son similares a las pilas secas comunes, con las excepciones de que el electrolito es básico (alcalino), porque contiene KOH y la superficie interior del recipiente de Zn es áspera; esto proporciona un área de contacto mayor.
El ánodo está compuesto de una pasta de cinc amalgamado con mercurio (total 1 %), carbono o grafito.
- Zinc 14 % (ánodo)
- Dióxido de manganeso 22 % (cátodo)
- Carbón 2 %
- Mercurio: 0,5 a 1 % (ánodo)
- Hidróxido de potasio 19 % (electrolito)
- Plástico y lámina 42 %
Contiene un compuesto alcalino, llamado hidróxido de potasio. Está compuesta por dióxido de manganeso, MnO2, hidróxido de potasio (KOH), pasta de zinc (Zn), amalgamada con mercurio (Hg, en total 1 %), carbón o grafito (C). Según la Directiva Europea del 18 de marzo de 1991, este tipo de pilas no pueden superar la cantidad de 0,025 % de mercurio.
- Descarga
Durante la descarga, las reacciones en la pila seca alcalina son:
- Ánodo:
- Cátodo:
- Global:
- Ventajas
- Respecto a las pilas convencionales entregan más potencia y una corriente más estable.
- Su duración es seis veces mayor que la de la pila de zinc-carbono.
- Resisten mejor el uso constante.
- Desventajas
Su mayor costo se deriva de la dificultad de sellar las pilas contra las fugas de hidróxido. Casi todas vienen blindadas, lo que impide el derramamiento de los componentes. Sin embargo, este blindaje no tiene duración ilimitada.
- Características
El voltaje de una pila alcalina está cerca de 1,5 V.
- Usos
Se utilizan para aparatos complejos y de elevado consumo energético. En sus versiones de 1,5 voltios, 6 voltios y 12 voltios se emplean, por ejemplo, en mandos a distancia (control remoto) y alarmas.
Pilas alcalinas de manganeso
Con un contenido de mercurio que ronda el 0,1 % de su peso total, es una versión mejorada de la pila alcalina, en la que se ha sustituido el conductor iónico cloruro de amonio por hidróxido de potasio (de ahí su nombre de alcalina). El recipiente de la pila es de acero, y la disposición del cinc y del óxido de manganeso (IV) (o dióxido de manganeso) es la contraria, situándose el cinc, ahora en polvo, en el centro. La cantidad de mercurio empleada para regularizar la descarga es mayor. Esto le confiere mayor duración, más constancia en el tiempo y mejor rendimiento. Por el contrario, su precio es más elevado. También suministra una fuerza electromotriz de 1,5 V. Se utiliza en aparatos de mayor consumo como: grabadoras portátiles, juguetes con motor, flashes electrónicos.
El ánodo es de cinc amalgamado y el cátodo es un material polarizador compuesto con base en dióxido de manganeso, óxido de mercurio (II) mezclado íntimamente con grafito, y en casos raros, óxido de plata Ag2O (estos dos últimos son muy costosos, peligrosos y tóxicos), a fin de reducir su resistividad eléctrica. El electrolito es una solución de hidróxido potásico (KOH), el cual presenta una resistencia interna bajísima, lo que permite que no se tengan descargas internas y la energía pueda ser acumulada durante mucho tiempo. Este electrolito, en las pilas comerciales se endurece con gelatinas o derivados de la celulosa.
Este tipo de pila se fabrica en dos formas. En una, el ánodo consta de una tira de cinc corrugada, devanada en espiral de 0,051 a 0,13 mm de espesor, que se amalgama después de armarla. Hay dos tiras de papel absorbente resistente a los álcalis interdevanadas con la tira de papel de cinc, de modo que el cinc sobresalga por la parte superior y el papel por la parte inferior. El ánodo está aislado de la caja metálica con un manguito de poliestireno. La parte superior de la pila es de cobre y hace contacto con la tira de cinc para formar la terminal negativa de la pila. La pila está sellada con un ojillo o anillo aislante hecho de neopreno. La envoltura de la pila es químicamente inerte a los ingredientes y forma el electrodo positivo.
- Ventajas
Este tipo de pilas tiene una duración mayor que las alcalinas.
- Desventajas
Este tipo de baterías presenta algunas desventajas:
- Una pila alcalina puede contaminar 175 000 litros de agua, que llega a ser el consumo promedio de agua de toda la vida de seis personas.
- Cinc, manganeso (Mn), bismuto (Bi), cobre (Cu) y plata (Ag) son sustancias tóxicas, que producen diversas alteraciones en la salud humana. El cinc, manganeso y cobre son esenciales para la vida, en cantidades mínimas, y tóxicos en altas dosis. El bismuto y la plata no son esenciales para la vida.
- Usos
Juguetes, tocacintas, cámaras fotográficas, grabadoras, linternas, etc.
Tipos de pilas por forma y tamaño
La distinción entre pilas que utilizan un electrolito y las que utilizan dos, o entre pilas húmedas y secas, son exclusivamente de interés histórico y didáctico, pues todas las pilas que se utilizan actualmente son prefabricadas, estancas y responden a tipos bastante fijos, lo que facilita su comercialización y su uso.
Las pilas eléctricas y algunos acumuladores se presentan en unas cuantas formas normalizadas. Las más frecuentes comprenden la serie A (A, AA, AAA, AAAA), A B, C, D, F, G, J y N, 3R12, 4R25 y sus variantes, PP3, PP9 y las baterías de linterna 996 y PC926. Las características principales de todas ellas y de otros tipos menos habituales se incluyen en la tabla que puede verse aquí.
Cabe la posibilidad de utilizar adaptadores, en especial para que las pilas recargables AA se puedan utilizar en aparatos que precisen pilas C y D.<!R1>
Existen unas normas internacionales para la estandarización de los tamaños y voltajes de las pilas para permitir la utilización de aparatos eléctricos a nivel mundial.<!R2>
Pilas y el medio ambiente

Los metales y productos químicos constituyentes de las pilas pueden resultar perjudiciales para el medio ambiente, produciendo contaminación química (por ejemplo: envenenamiento por mercurio). Es muy importante no tirarlas a la basura (en algunos países no está permitido), sino llevarlas a centros de reciclado (Reciclaje de pilas y baterías). En algunos países, la mayoría de los proveedores y tiendas especializadas también se hacen cargo de las pilas gastadas. Una vez que la envoltura metálica que recubre las pilas se daña, las sustancias químicas se liberan causando contaminación al medio ambiente. Con mayor o menor grado, las sustancias son absorbidas por la tierra, pudiéndose filtrar hacia las capas freáticas, y de estas pueden pasar directamente a los seres vivos, entrando con esto en la cadena alimentaria (véase presencia de mercurio en peces).
Estudios especializados indican que una micropila de mercurio, puede llegar a contaminar 600 000 litros de agua,<!R3> una de cinc-aire 12 000 litros y una de óxido de plata 14 000 litros.<!R4>[cita requerida]
Las pilas son residuos peligrosos por lo que, desde el momento en que se empiezan a reunir, deben ser manipuladas por personal capacitado que siga las precauciones adecuadas empleando todos los procedimientos técnicos y legales de manipulación de residuos peligrosos. En caso contrario diversas intoxicaciones son posibles, como por ejemplo el envenenamiento por mercurio.
Véase también
- Anexo: Tipos de pila
- Generador eléctrico
- Batería eléctrica
- Energía eléctrica
- Pila impolarizable
- Pila recargable
Referencias
- ↑ a b c «Pilas y acumuladores». Ministerio para la Transición Ecológica y el Reto Demográfico. Consultado el 16 de septiembre de 2024.
- ↑ Bryant, David (1991). «Cap. 5. Generación de electricidad». Electricidad. Madrid: Pirámide. ISBN 84-368-0411-2.
- ↑ García Pérez, J. A. et all. (1981). «Reacciones de transferencia de electrones 6.10 Pilas electricas». Química. Albacete: Tebar Flores. ISBN 84-7360-027-4.
Enlaces externos
Wikimedia Commons alberga una categoría multimedia sobre Pila eléctrica.
Wikcionario tiene definiciones y otra información sobre pila.
- El Diccionario de la Real Academia Española tiene una definición para pila.
- El Diccionario de la Real Academia Española tiene una definición para batería.
- Pilas: un enemigo en casa.
- Cómo alargar la vida de las baterías.