Inversor trifásico
Los inversores, o convertidores CC-CA, son un circuito utilizado para convertir corriente continua en corriente alterna. Un inversor tiene como función la de cambiar un voltaje CC de entrada en un voltaje CA simétrico a la salida, procurando que este posea la magnitud y frecuencia deseada por el usuario.
Los inversores trifásicos son utilizados para la alimentación de cargas trifásicas que requieran corriente alterna. Algunas de las aplicaciones de estos inversores son las siguientes:
- Fuentes de tensión alterna trifásica sin interrupciones
- Puesta en marcha de motores de corriente alterna trifásicos
- Conexión de fuentes que producen energía en continua con las cargas trifásicas (paneles fotovoltaicos).

Clasificación
Podemos clasificar de forma general los inversores en:
- Inversores monofásicos con cancelación de voltaje: se puede variar la magnitud y frecuencia del voltaje de salida, sin tener en cuenta que el voltaje de entrada sea constante y que los interruptores no sean controlados en PWM (modulación de ancho de pulso). Esta clase de inversores combinan las cualidades de los inversores siguientes.
- Inversores modulados en PWM: En la entrada de este inversor se encuentra un voltaje CC constante que por lo general proviene de un puente rectificador. La modulación de ancho de pulso PWM controla la magnitud y la frecuencia del voltaje de la salida; dicha modulación controlara los interruptores del inversor.
- Inversores de salida cuadrada: Para esta clase de inversores es necesario controlar la magnitud de la entrada en CC para de esta manera tener control sobre la magnitud de la salida en CA. La principal función de esta clase de inversor es la de controlar la frecuencia de la señal de salida.[1]
Con este tipo de clasificacióntambién podemos obtener cómo se clasifican los inversores trifásicos.
Inversor trifásico implementado con tres inversores monofásicos

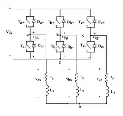
[2] [3] [4] Utiliza tres inversores monofásicos independientes, cada uno de ellos produce una tensión de salida que tiene su frecuencia fundamental desplazada 120° con respecto a las demás salidas. Este tipo de inversores trifásicos solo son preferibles en aquellas condiciones donde se necesite acceso a las tres fases de las cargas por separado, situación que no es muy común. Las desventajas de este tipo de inversores son las siguientes:
- Es necesario la utilización de un transformador trifásico a la salida; el secundario del transformador pueden encontrase conectador en estrella (Y) o delta (Δ).
- Otro inconveniente de esta configuración de inversor trifásico es que requiere de seis interruptores, cada uno de ellos con su respectivo diodo en anti-paralelo.
- Utiliza transistores de potencia.
- Es necesario equilibrar perfectamente las salidas de cada inversor monofásico tanto en magnitud como fase, de lo contrario las tensiones que alimentaran las cargas se encontrara desequilibradas.
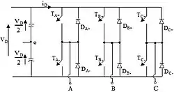
Para el control de este inversor es necesario utilizar tres señales de referencia, una para cada fase, las cuales deben estar desfasadas 120°. El espectro armónico generado es muy parecido al del inversor puente completo en cuanto a las frecuencias armónicas, pero estos voltajes son de menor magnitud. Ta, Tb y Tc representan a los transistores utilizados en el circuito de un inversor trifásico. La siguiente ecuación muestra la relación entre el voltaje de línea y los parámetros del inversor
Regiones de operación
El inversor trifásico tiene tres regiones de operación:

- Región Lineal (ma ≤ 1) en la zona lineal, la componente a frecuencia fundamental de la tensión de salida varía linealmente con el ratio de modulación de la amplitud ma. La ventaja principal de utilizar un valor de ma menor o igual a la unidad reside en la relación lineal entre la tensión eficaz de línea a frecuencia fundamental y el ratio de modulación de la amplitud ma. Sin embargo, la tensión eficaz de línea no resulta tan elevada como pudiera ser necesario. Al contrario, se encuentra limitada a un valor máximo de 0.612 VD,
- Región de sobre- modulación (1 <ma ≤ 3.24) Para obtener valores eficaces de la tensión de línea a frecuencia fundamenta de mayor magnitud, se requiere elevar ma por encima de la unidad, es decir, el valor de pico o máximo de las tensiones de control de cada una de las fases es mayor que el de la forma de onda triangular con la que se compara. Esta región recibe el nombre de zona de sobre-modulación.
- Región de salida cuadrada (ma> 3.24) Cuando el ratio de modulación de la amplitud ma adquiere valores elevados, el inversor trifásico PWM sobremodulado degenera en uno de onda cuadrada.
Inversor trifásico PWM


En un inversor trifásico el objetivo del empleo de la modulación de ancho de pulso es modelar y controlar la tensión trifásica de salida en magnitud y frecuencia a partir de una tensión de entrada VD constante. Una única onda triangular se compara con tres tensiones de control senoidales desfasadas entre sí 120°, para conseguir a la salida un sistema de tensiones trifásico equilibrado empleando la conmutación PWM, Efecto del tiempo muerto en inversores PWM trifásicos Para inversores PWM trifásicos, las formas de onda de los valores medios instantáneos de las tensiones compuestas VAB(t), VBC(t) y VCA(t) consisten, en el caso de interruptores ideales, en senoidales puras desfasadas 120°. En cambio, si los interruptores no son ideales, el tiempo muerto provoca que VAB(t), VBC(t) y VCA(t) sufran una distorsión cuando las intensidades iAB(t), iBC(t) e iCA(t) pasen por cero.
De esta forma, aparecen armónicos de baja frecuencia de orden: 6k ±1 (k=1, 2, 3,...) de la frecuencia fundamental, esto es, armónicos impares excepto aquellos múltiplos de tres.
Inversor trifásico de onda cuadrada

Cuando el rango de modulación de la amplitud máxima adquiere valores elevados, el inversor trifásico PWM sobre-modulado se degenera en uno de onda cuadrada. Aquí, cada interruptor se encuentra activado durante 180° de la frecuencia fundamental y nunca estarán cerrados ni abiertos simultáneamente los dos interruptores de una misma salida. Además, existe un desfase de 120° entre la activación de un interruptor y el del mismo nivel de la salida consecutiva. Por tanto, siempre habrá tres interruptores activados.
Véase también
- Circuitos de ayuda a la conmutación de transistores
- Interruptor unilateral de silicio
- Energía solar fotovoltaica
- PUT
- BJT
- IGBT
- Diodo
- MOSFET
Referencias
- ↑ Ing. Abdiel Bolaños, Universidad Tecnológica de Panamá, Electrónica de potencia y aplicaciones, manual de electrónica elaborado en 2003 revisado agosto 2011
- ↑ Hart, Daniel W. (en Español). Electrónica de potencia (Primera edición). Pearson Educación, S.A..
- ↑ JOHN G. KASSAKIAN, M.F. SCHLECHT y G.C. VERGHESE. Principles of Power Electronics.
- ↑ Rashid, Muhammad H. (en Español). Electrónica de potencia. Circuitos, dispositivos y aplicaciones (Tercera edición). Pearson Educación, S.A.