PUT

El PUT es un semiconductor de cuatro capas (pnpn) cuyo funcionamiento es similar al del UJT. Es un tipo de tiristor y a veces se le llama “tiristor disparado por ánodo” debido a su configuración. Al igual que el UJT, se utiliza como oscilador y base de tiempos, pero es más flexible, ya que la compuerta se conecta a un divisor de tensión que permita variar la frecuencia del oscilador sin modificar la constante de tiempo RC.
Funcionamiento
Si el PUT está polarizado directamente y aplicamos Vag= 0.7 V, entra en conducción. El PUT permanece encendido hasta que el voltaje disminuye, por eso, se apaga. El apagado se debe a que la corriente anódica llega un valor ligeramente menor a la corriente de sostenimiento.

Es un dispositivo de disparo ánodo-puerta (ánodo-compuerta) puesto que su disparo se realiza cuando la puerta tenga una tensión más negativa que el ánodo, es decir, la conducción del PUT se realiza por control de las tensiones en sus terminales.
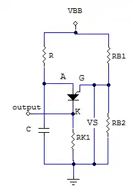
Si el PUT es utilizado como oscilador de relajación, el voltaje de compuerta VG se mantiene desde la alimentación mediante el divisor resistivo del voltaje RB1 y RB2, y determina el voltaje de disparo Vp. En el caso del UJT, Vp está fijado por el voltaje de alimentación, pero en un PUT puede variar al modificar el valor del divisor resistivo RB1 y RB2. Si el voltaje del ánodo Va es menor que el voltaje de compuerta Vg, se conservará en su estado inactivo, pero si el voltaje de ánodo excede al de compuerta más el voltaje de diodo Vag, se alcanzará el punto de disparo y el dispositivo se activará. La corriente de pico Ip y la corriente de valle Iv dependen de la impedancia equivalente en la compuerta y del voltaje de alimentación en VBB. En general Rk está limitado a un valor por debajo de 100 ohm.

Rk=RB1RB2/(RB1 + RB2)
Para tener un diseño exitoso, la corriente de ánodo, que la llamaremos I, debe estar entre las corrientes Ip e Iv, de no estarlo, el dispositivo no oscilará. Por ello, se debe tener cuidado al diseñar la impedancia equivalente Rg y el voltaje de alimentación, ya que estos parámetros modifican directamente los valores de corriente ya mencionados.
Aplicaciones
El uso del PUT se encuentra casi limitado a su utilización en osciladores de relajación para disparo de tiristores de potencia en aplicaciones de control de fase. Su alta sensibilidad, les permite trabajar con elevados valores de resistencia de temporización o pequeños valores de capacitancia, en aplicaciones de baja corriente, tales como temporizaciones muy largas o en circuitos alimentadas con baterías. Adicionalmente, por su conmutación debido a un proceso de realimentación positiva de elementos activos, presentan menores tiempos de conmutación que los UJT donde este proceso se debe a un cambio en la conductividad de la barra de silicio por inyección de portadores. En consecuencia menores valores de capacitancia producen pulsos de disparos de la potencia adecuada.
Ejemplo

Para el diseño de un oscilador de relajación con PUT, se debe realizar los siguientes pasos: 1. Al igual que en los UJT, la resistencia de temporización R debe ser lo suficientemente baja para que pueda alcanzar a circular Ip y lo suficientemente alta para que no pueda circular la Iv en forma permanente. Para el caso de los PUT
2. Debe tenerse en cuenta que los valores de Ip e Iv dependen del valor de Rg. El valor de Vp en los PUT es fijado por el circuito exterior, por ejemplo mediante un divisor resistivo como el mostrado. La ecuación básica del PUT es: Vp = Vt + Vs Siendo Vs la tensión de Thevenin vista desde la compuerta y Vt una tensión de offset compuesta por la caída directa de la juntura ánodo compuerta Vag más la caída producida en Rg por la corriente Ip justo antes del disparo.

3. Como Vt = Vag + Ip*Rg , un cambio en Rg afecta a ambos términos en forma opuesta. Si Rg aumenta, Ip disminuye y hace decrecer a Vag, pero como Ip no se reduce tan rápido como Rg se incrementa, el producto Ip*Rg aumenta, aumentando el valor de Vt. Como estas variaciones son difíciles de estimar, es de uso generalizado tomar para la mayoría de las aplicaciones.
Vt = 0.6 v
4. El periodo de un oscilador a relajación basado en PUT resulta:
Vct=Vp=Vt+Vs
Por lo que resulta un periodo
T=R*C*Ln((VBB-Vv)/(VBB-Vt-Vs))
Donde VBB es el voltaje de alimentación del circuito. Despreciando Vv y Vt, se reduce a una expresión equivalente a la ya obtenida para los UJT.
T=R*C*Ln(1+RB2/RB1)
5. Al igual que con los UJT, la amplitud del pulso de salida depende de la velocidad de conmutación, especialmente para capacidades inferiores a 0.01 uF.
6.Valores típicos de frecuencias de oscilaciones se encuentran comprendidas entre los 0.003 Hz y 2.5 kHz.
7. El PUT operando como oscilador de relajación presenta una baja dependencia de su frecuencia con la temperatura debido a que su tensión de compuerta se encuentra fijada exteriormente. Para aplicaciones críticas deben implementarse circuitos de compensación.
Referencias
https://web.archive.org/web/20100530145104/http://enciclopediapotencia.net78.net/Unidad%204.php
http://www.unicrom.com/tut_variantes_SCR.asp
http://www.onsemi.com/pub_link/Collateral/2N6027-D.PDF
Véase también
- Tiristor
- UJT, Transistor uniunión
- semiconductor
- Circuitos de ayuda a la conmutación de transistores