Teorema de Norton

El teorema de Norton para circuitos eléctricos es dual del teorema de Thévenin. Se conoce así en honor al ingeniero Edward Lawry Norton, de los Laboratorios Bell, que lo publicó en un informe interno en el año 1926.[1] El alemán Hans Ferdinand Mayer llegó a la misma conclusión de forma simultánea e independiente.
Establece que cualquier circuito lineal se puede sustituir por una fuente equivalente de intensidad en paralelo con una impedancia equivalente.
Al sustituir un generador de corriente por uno de tensión, el borne positivo del generador de tensión deberá coincidir con el borne positivo del generador de corriente y viceversa.
Cálculo del circuito Norton equivalente
El circuito Norton equivalente consiste en una fuente de corriente INo en paralelo con una resistencia RNo. Para calcularlo:
- Se calcula la corriente de salida, IAB, cuando se cortocircuita la salida, es decir, cuando se pone una carga (tensión) nula entre A y B. Al colocar un cortocircuito entre A y B toda la intensidad INo circula por la rama AB, por lo que ahora IAB es igual a INo.
- Se calcula la tensión de salida, VAB, cuando no se conecta ninguna carga externa, es decir, cuando se pone una resistencia infinita entre A y B. RNo es ahora igual a VAB dividido entre INo porque toda la intensidad INo ahora circula a través de RNo y las tensiones de ambas ramas tienen que coincidir ( VAB = INoRNo ).
Circuito Thévenin equivalente a un circuito Norton
Para analizar la equivalencia entre un circuito Thévenin y un circuito Norton pueden utilizarse las siguientes ecuaciones:
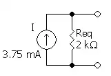
Ejemplo de un circuito equivalente Norton
![]() |
![]() |
![]() |
![]() |
En el ejemplo, Itotal viene dado por:
Usando la regla del divisor, la intensidad de corriente eléctrica tiene que ser:
Y la resistencia Norton equivalente sería:
Por lo tanto, el circuito equivalente consiste en una fuente de intensidad de 3.75 mA en paralelo con una resistencia de 2 kΩ
Referencias
Véase también
Bibliografía
- Don H. Johnson: Scanning Our Past - Origins OF the Equivalent Circuit Concept: The Current SOURCE Equivalent , 2002 PROCEEDINGS OF THE IEEE, VOLUME. 91, NO. 5, MAY 2003



