Telégrafo de Cooke y Wheatstone

El telégrafo de Cooke y Wheatstone fue uno de los primeros sistemas de telegrafía eléctrica de la década de 1830, inventado por el inventor inglés William Fothergill Cooke y el científico inglés Charles Wheatstone. Fue una forma de telégrafo de agujas y el primer sistema telegráfico puesto en servicio comercial. El receptor consistía en una serie de agujas que podían moverse mediante bobinas electromagnéticas para señalar letras en un tablero. Esta característica gustó a los primeros usuarios, que no estaban dispuestos a aprender códigos, y a los empresarios, que no querían invertir en la formación del personal.
En sistemas posteriores, se prescindió del tablero de letras y el código se leía directamente a partir del movimiento de las agujas. Esto ocurrió porque se redujo el número de agujas, lo que dio lugar a códigos más complejos. El cambio estuvo motivado por la necesidad económica de reducir el número de hilos telegráficos utilizados, que estaba relacionado con el número de agujas. El cambio se hizo más urgente a medida que se deterioraba el aislamiento de algunas de las primeras instalaciones, lo que provocó que algunos de los cables originales quedaran inutilizables. El sistema más exitoso de Cooke y Wheatstone fue finalmente el de una sola aguja, que continuó en servicio hasta la década de 1930.
El telégrafo de Cooke y Wheatstone desempeñó un papel importante en la detención del asesino John Tawell. Una vez que se supo que Tawell había subido a un tren con destino a Londres, se utilizó el telégrafo para enviar una señal a la estación de Paddington y detenerlo allí. La novedad de este uso del telégrafo en la lucha contra el crimen generó una gran publicidad y condujo a una mayor aceptación y uso del telégrafo por parte del público.
Inventores

El telégrafo nació de la colaboración entre William Fothergill Cooke y Charles Wheatstone, más conocido por los escolares por el puente del mismo nombre. Su colaboración no fue afortunada porque sus objetivos diferían. Cooke era un inventor y empresario que deseaba patentar y explotar comercialmente sus inventos. Wheatstone, por el contrario, era un académico sin ningún interés comercial, y su intención era publicar sus resultados y permitir que otros los utilizaran libremente.[1] Esta diferencia de puntos de vista acabó provocando una amarga disputa entre los dos hombres sobre las reivindicaciones de prioridad del invento. Marc Isambard Brunel representó a Cooke y John Frederic Daniell a Wheatstone. Cooke acabó comprando la participación de Wheatstone a cambio de regalías.[2]
Cooke había tenido algunas ideas para construir un telégrafo antes de asociarse con Wheatstone y había consultado al científico Michael Faraday para que le aconsejara. En 1836, Cooke construyó un sistema electrométrico experimental y un telégrafo mecánico con un mecanismo de relojería y un retén electromagnético. Sin embargo, gran parte de los conocimientos científicos para el modelo realmente puesto en práctica procedían de Wheatstone. Las ideas anteriores de Cooke fueron abandonadas en gran medida.[3]
Historia

En enero de 1837, Cooke propuso a los directores del Ferrocarril de Liverpool y Mánchester un diseño de telégrafo mecánico de 60 códigos,[4] demasiado complicado para sus propósitos; la necesidad inmediata era una simple señal de comunicación entre la estación de Liverpool y una casa de máquinas de transporte por cable en la cima de una empinada pendiente a través de un largo túnel fuera de la estación. El transporte por cable hasta las estaciones principales era habitual en aquella época para evitar el ruido y la contaminación, y en este caso la pendiente era demasiado pronunciada para que la locomotora pudiera ascender sin ayuda. Todo lo que se necesitaba eran algunas señales sencillas, como una indicación a la casa de máquinas para que iniciara el arrastre. Se pidió a Cooke que construyera una versión más sencilla con menos códigos, lo que hizo a finales de abril de 1837.[5] Sin embargo, el ferrocarril decidió utilizar en su lugar un telégrafo neumático equipado con silbatos.[6] Poco después Cooke se asoció con Wheatstone.[7]
En mayo de 1837, Cooke y Wheatstone patentaron un sistema telegráfico que utilizaba una serie de agujas en un tablero que podían moverse para señalar las letras del alfabeto. La patente recomendaba un sistema de cinco agujas, pero se podía utilizar cualquier número de agujas en función del número de caracteres que fuera necesario codificar. Se instaló un sistema de cuatro agujas entre Euston y Camden Town, en Londres, en una línea ferroviaria que estaba construyendo Robert Stephenson entre Londres y Birmingham. Se demostró con éxito el 25 de julio de 1837.[8] Se trataba de una aplicación similar al proyecto de Liverpool. Los vagones se desprendían en Camden Town y viajaban por gravedad hasta Euston. Se necesitaba un sistema que enviara una señal a la sala de máquinas de Camden Town para que los vagones volvieran a subir por la pendiente hasta la locomotora que los esperaba. Al igual que en Liverpool, el telégrafo eléctrico fue finalmente rechazado en favor de un sistema neumático con silbatos.[9]
Cooke y Wheatstone tuvieron su primer éxito comercial con un telégrafo instalado en 1838 en el ferrocarril Great Western a lo largo de las 13 millas (21 km) que separan la estación de Paddington de West Drayton.[10] Se trataba de un sistema de cinco agujas y seis hilos.[9] Los cables se instalaron originalmente bajo tierra en un conducto de acero. Sin embargo, pronto empezaron a fallar debido al deterioro del aislamiento.[11] Como medida provisional, se utilizó un sistema de dos agujas con tres de los cables subterráneos que aún funcionaban, que a pesar de utilizar sólo dos agujas tenía un mayor número de códigos.[12] Dado que había que aprender el nuevo código, y no sólo leerlo en la pantalla, fue la primera vez en la historia del telégrafo que se necesitaron operadores telegráficos cualificados.[13]
Cuando la línea se amplió hasta Slough en 1843, se instaló un sistema de una aguja y dos hilos.[14] Cooke también pasó de tender los cables en tuberías de plomo enterradas al sistema menos costoso y más fácil de mantener de suspender los hilos sin aislar en postes de aisladores cerámicos, sistema que patentó[15] y que rápidamente se convirtió en el método más común.[16] Esta ampliación se hizo a expensas de Cooke, ya que la compañía ferroviaria no estaba dispuesta a financiar un sistema que aún consideraba experimental. Hasta ese momento, la Great Western había insistido en el uso exclusivo y había denegado a Cooke el permiso para abrir oficinas telegráficas públicas. El nuevo acuerdo de Cooke concedía a la compañía ferroviaria el uso gratuito del sistema a cambio del derecho de Cooke a abrir oficinas públicas, con lo que se establecía por primera vez un servicio telegráfico público.[17] Se cobraba una tarifa plana (a diferencia de todos los servicios telegráficos posteriores, que cobraban por palabra) de un chelín, pero mucha gente la pagaba sólo por ver el extraño equipo.[18]
A partir de ese momento, el uso del telégrafo eléctrico empezó a crecer en los nuevos ferrocarriles que se construían desde Londres. El ferrocarril de Londres y Blackwall (otra aplicación de transporte por cable) estaba equipado con el telégrafo de Cooke y Wheatstone cuando se inauguró en 1840, y muchos otros le siguieron.[19] La distancia que había que recorrer en el ferrocarril de Blackwall (cuatro millas) era demasiado grande para la señalización por vapor y el ingeniero, Robert Stephenson, apoyó firmemente la solución eléctrica.[20] En febrero de 1845, se completó una línea de 88 millas desde Nine Elms hasta Gosport a lo largo del ferrocarril de Londres y el suroeste, mucho más larga que cualquier otra línea hasta ese momento. El Almirantazgo pagó la mitad del coste de capital y 1.500 libras anuales por un telégrafo privado de dos agujas en esta línea para conectarla con su base en Portsmouth, sustituyendo finalmente al telégrafo óptico.[21] En septiembre de 1845, el financiero John Lewis Ricardo y Cooke formaron la Electric Telegraph Company. Esta empresa compró las patentes de Cooke y Wheatstone y estableció sólidamente el negocio del telégrafo. En 1869, la empresa fue nacionalizada y pasó a formar parte de la Oficina General de Correos.[22] El telégrafo de una aguja tuvo un gran éxito en los ferrocarriles británicos, y a finales del siglo XIX aún se utilizaban 15.000 aparatos. Algunos siguieron en servicio en la década de 1930.[23]
El telégrafo de Cooke y Wheatstone se limitó en gran medida al Reino Unido y al Imperio Británico. Sin embargo, también se utilizó en España durante un tiempo.[24] Tras la nacionalización del sector telegráfico en el Reino Unido, la Oficina de Correos sustituyó poco a poco los diversos sistemas que había heredado, incluido el telégrafo Cooke y Wheatstone, por el sistema telegráfico Morse.[25]
Arresto de Tawell

El sospechoso de asesinato John Tawell fue detenido gracias a un mensaje telegráfico enviado desde Slough a Paddington el 1 de enero de 1845. Se cree que este fue el primer uso del telégrafo para atrapar a un asesino. El mensaje era:
SE HA COMETIDO UN ASESINATO EN SALT HILL Y SE HA VISTO AL PRESUNTO ASESINO COGER UN BILLETE DE PRIMERA CLASE A LONDRES EN EL TREN QUE SALIÓ DE SLOUGH A LAS 742 PM VISTE COMO UN OBRERO CON UN GRAN ABRIGO QUE LE LLEGA CASI HASTA LOS PIES SE ENCUENTRA EN EL ÚLTIMO COMPARTIMENTO DE SEGUNDA CLASE[26]
Los sistemas Cooke y Wheatstone no admitían signos de puntuación, minúsculas ni algunas letras. Incluso el sistema de dos agujas omitía las letras J, Q y Z; de ahí los errores ortográficos de "just" y "Quaker". Esto causó algunas dificultades al operador receptor de Paddington, que solicitó repetidamente un reenvío tras recibir K-W-A, que supuso era un error. Esto continuó hasta que un niño sugirió que se permitiera al operador remitente completar la palabra, tras lo cual se entendió. Tras llegar, un detective siguió a Tawell hasta una cafetería cercana y lo detuvo allí. La cobertura periodística de este incidente dio mucha publicidad al telégrafo eléctrico y lo situó firmemente en el punto de mira del público.[26]
El arresto de Tawell fue uno de los dos acontecimientos que atrajeron la atención del público hacia el telégrafo y condujeron a su uso generalizado más allá de la señalización ferroviaria. El otro acontecimiento fue el anuncio por telégrafo del nacimiento de Alfred Ernest Albert, segundo hijo de la reina Victoria. La noticia se publicó en The Times a la velocidad sin precedentes de 40 minutos tras el anuncio.[27]
Bloque ferroviario en funcionamiento
El sistema de señalización por bloques es un sistema de seguridad ferroviaria que divide la vía en bloques y utiliza señales para impedir que otro tren entre en un bloque hasta que el tren que ya está en él haya salido. El sistema fue propuesto por Cooke en 1842 en Telegraphic Railways or the Single Way como una forma más segura de trabajar en líneas sencillas. Anteriormente, la separación de trenes se basaba únicamente en un estricto horario, que no permitía hacer frente a imprevistos. La primera vez que se utilizó el trabajo en bloque fue probablemente en 1839, cuando George Stephenson hizo instalar un telégrafo Cooke y Wheatstone en el túnel Clay Cross de la compañía ferroviaria North Midland Railway. En 1841 se instalaron instrumentos específicos para el trabajo en bloque.[28] El trabajo en bloque se convirtió en la norma y sigue siéndolo en la actualidad, con la salvedad de que la tecnología moderna ha permitido sustituir los bloques fijos por bloques móviles en los ferrocarriles más transitados.[29]
Operación

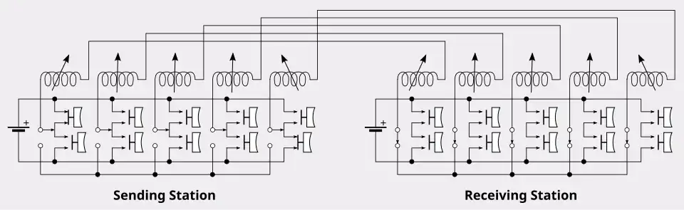
El telégrafo de Cooke y Wheatstone consistía en una serie de agujas magnéticas que podían girar una corta distancia en el sentido de las agujas del reloj o en sentido contrario mediante inducción electromagnética a partir de un devanado excitador. La dirección del movimiento estaba determinada por la dirección de la corriente en los hilos telegráficos. El tablero estaba marcado con una cuadrícula en forma de diamante con una letra en cada intersección de la cuadrícula, y dispuesto de tal manera que cuando dos agujas recibían corriente apuntaban a una letra específica.
El número de hilos necesarios para el sistema de Cooke y Wheatstone es igual al número de agujas utilizadas. La patente de Cooke y Wheatstone recomienda cinco agujas, y éste era el número en sus primeros modelos de demostración. El número de símbolos que se pueden obtener utilizando un código similar al que utilizaba el sistema de cinco agujas depende del número de agujas disponibles; generalizando, con un número de agujas es posible codificar [30]
Entonces:
| Número de agujas | Símbolos posibles |
|---|---|
En el extremo emisor había dos filas de botones, un par de botones por cada bobina de cada fila. El operador seleccionaba un botón de cada fila. Así se conectaban dos de las bobinas a los extremos positivo y negativo de la batería, respectivamente. Los otros extremos de las bobinas se conectaban a los cables telegráficos y de ahí a uno de los extremos de las bobinas de la estación receptora. Los otros extremos de las bobinas receptoras, mientras estaban en modo de recepción, se conectaban entre sí. De este modo, la corriente circulaba por las dos mismas bobinas en ambos extremos y activaba las dos mismas agujas. Con este sistema, las agujas se excitaban siempre por parejas y giraban siempre en sentidos opuestos.[31]
Telégrafo de cinco agujas
Al telégrafo de cinco agujas, con veinte posiciones posibles, le faltaban seis códigos para poder codificar el alfabeto completo. Las letras omitidas eran la C, la J, la Q, la U, la X y la Z.[32] Un gran argumento de venta de este telégrafo era que era fácil de usar y requería poca formación del operador. No había que aprender ningún código, ya que la letra que se enviaba se mostraba de forma visible tanto al operador emisor como al receptor.
En algún momento, se añadió la capacidad de mover una sola aguja de forma independiente. Esto requirió un conductor adicional para un retorno común, posiblemente por medio de un retorno a tierra.[9] Esto aumentó drásticamente el espacio de códigos disponible, pero el uso de códigos arbitrarios habría requerido una formación más extensa del operador, ya que la pantalla no se podía leer a simple vista desde la rejilla como los simples códigos alfabéticos.[33] La necesidad económica de reducir el número de hilos resultó ser un incentivo mayor que la simplicidad de uso y llevó a Cooke y Wheatstone a desarrollar los telégrafos de dos agujas y de una aguja.[12]

Telégrafo de dos agujas
El telégrafo de dos agujas necesitaba tres hilos, uno para cada aguja y un retorno común. La codificación era algo diferente a la del telégrafo de cinco agujas y había que aprenderla, en lugar de leerla en una pantalla. Las agujas podían moverse hacia la izquierda o hacia la derecha una, dos o tres veces en rápida sucesión, o una sola vez en ambas direcciones en rápida sucesión. Se podía mover cualquiera de las agujas, o ambas a la vez. Esto daba un total de 24 códigos, uno de los cuales estaba ocupado por el código de parada. Así, se omitían tres letras: J, Q y Z, que se sustituían por G, K y S, respectivamente.[26]
Originalmente, el telégrafo estaba equipado con una campana que sonaba cuando otro operador deseaba atención. Esto resultó tan molesto que se suprimió. Se descubrió que el chasquido de la aguja contra su tope era suficiente para llamar la atención.[34]
Telégrafo de una aguja
Este sistema se desarrolló para sustituir al telégrafo multifilar de la línea de Paddington a West Drayton. Requería sólo dos hilos, pero un código más complejo y una velocidad de transmisión más lenta. Mientras que el sistema de dos agujas necesitaba un código de tres unidades (es decir, hasta tres movimientos de las agujas para representar cada letra), el sistema de una aguja utilizaba un código de cuatro unidades, pero tenía suficientes códigos para codificar todo el alfabeto. Al igual que el anterior sistema de dos agujas, las unidades de código consistían en desviaciones rápidas de la aguja hacia la izquierda o la derecha en rápida sucesión. La aguja golpeaba un poste cuando se movía, haciendo que sonara. Los movimientos a la izquierda y a la derecha se realizaban con tonos diferentes, de modo que el operador podía oír la dirección de la aguja sin mirarla.[23]
Códigos

Los códigos se fueron perfeccionando y adaptando a medida que se utilizaban. En 1867 se añadieron números al código de cinco agujas. Esto se consiguió gracias a un sexto hilo de retorno común que permitía mover una sola aguja. Con los cinco hilos originales sólo era posible mover las agujas de dos en dos y siempre en direcciones opuestas, ya que no se disponía de un hilo común. Teóricamente, con la señalización de retorno común son posibles muchos más códigos, pero no todos ellos pueden utilizarse convenientemente con una pantalla de indicación de cuadrícula. Los números se introducían marcándolos en el borde de la rejilla romboidal. Las agujas 1 a 5, al ser energizadas hacia la derecha, señalaban los numerales 1 a 5 respectivamente, y hacia la izquierda los numerales 6 a 9 y 0 respectivamente. En los aparatos telegráficos había dos botones adicionales que permitían conectar el retorno común al borne positivo o negativo de la batería, según la dirección en que se deseaba mover la aguja.[36]
También en 1867, se añadieron códigos para Q (
) y Z (
)[Notas 3] al código de una aguja, pero no, aparentemente, para J. Sin embargo, los códigos para Q (
), Z (
) y J (
) están marcados en las placas de los telégrafos de aguja posteriores, junto con códigos de seis unidades para el desplazamiento de números (
) y el desplazamiento de letras (
).[37] Se añadieron numerosos códigos compuestos para los controles del operador, como esperar y repetir. Estos compuestos son similares a los prosignos del código Morse, en los que los dos caracteres se ejecutan juntos sin un espacio entre caracteres. Los códigos de cambio de número y cambio de letra de dos agujas también son compuestos, razón por la que se han escrito con una barra superpuesta.[38]
Notas
- ↑ Shaffner (página 221) ha cambiado los códigos de 1 aguja para K y L por los que aparecen en la tabla. Parece tratarse de un error. Tanto Huurdeman (página 68) como Guillemin (página 551) dan estos códigos según la tabla, al igual que ejemplos de instrumentos supervivientes. Además, los glifos están marcados en la cara del instrumento, siendo los de la derecha la imagen especular del glifo correspondiente de la izquierda. La disposición de Shaffner rompe esta simetría especular
- ↑ Huurdeman (página 68) lee los trazos de los glifos en estricto orden de izquierda a derecha, independientemente de la longitud del trazo. Esto no puede ser correcto, ya que da lugar a códigos ambiguos; por ejemplo, E y U serían idénticos de izquierda a izquierda y de derecha a izquierda. Además, la simetría especular de las marcas de los glifos sugiere que los códigos de la derecha (es decir, de la M en adelante) deberían leerse de derecha a izquierda, no de izquierda a derecha (aunque observando primero el trazo corto). Shaffner, que vivía cuando este telégrafo aún estaba en funcionamiento y lo observó en uso en Inglaterra, es la fuente (página 221) del principio de ejecutar primero el trazo corto. Guillemin no menciona explícitamente este principio, pero se puede deducir, ya que indica otro código, tanto en glifos de tictac como en números.
- ↑ Shaffner no da una explicación clara de cómo deben leerse los glifos
y
. Dice que «cada una de estas letras se compone de dos desviaciones en cada sentido» (páginas 221-222), lo que sugiere que son equivalentes a
y
respectivamente, y no un código diferente.
Referencias
- ↑ Bowers, página 119
- ↑ Bowler & Morus, páginas 403-404
- ↑ Shaffner, página 185
- ↑ Schaffner, p. 190
- ↑ Bowers, página 123
- ↑ Burns, página 72
- ↑ Bowers, páginas 124-125
- ↑ Amanece la era telegráfica Archivado 2013-02-19 en la Wayback Machine Museo Online de la Tierra Conectada del Grupo BT. Consultado en diciembre de 2010, 10 feb 2013
- ↑ a b c Bowers, página 129
- ↑ Huurdeman, página 67
- ↑ Huurdeman, páginas 67-68 Beauchamp, página 35
- ↑ a b Mercer, página 7
- ↑ Kieve, páginas 32-33
- ↑ Huurdeman, página 69
- ↑ Kieve, página 32
- ↑ Duffy, página 5
- ↑ Kieve, páginas 31-32
- ↑ Kieve, página 33
- ↑ Beauchamp, página 35
- ↑ Kieve páginas 30-31
- ↑ Kieve, páginas 37-38
- ↑ Mercer, página 8
- ↑ a b Huurdeman, páginas 67-69
- ↑ Huurdeman, p. 107
- ↑ Kieve, p. 176
- ↑ a b c «John Tawell, el hombre ahorcado por el telégrafo eléctrico». Universidad de Salford. 10 feb 2013. Archivado desde el original el 13 de mayo de 2013. Recuperado el 11 de enero de 2009.
- ↑ Burns, páginas 78-79
- ↑ Kieve, páginas 33-34
- ↑ Duffy, página 378
- ↑ Sloane, N. J. A. (1994-04-13). «Secuencia A002378 OEIS». Revista Electrónica de Combinatoria. 1 (1). doi:10.37236/1194. ISSN 1077-8926.
- ↑ Burns, páginas 75-77
- ↑ Shaffner, página 201
- ↑ Shaffner, páginas 204-207
- ↑ Kieve, página 81
- ↑ Shaffner, páginas 204-205 (cinco agujas) Shaffner, páginas 226-229 (dos agujas) Shaffner, página 221 (una aguja, tardía) Huurdeman, página 68 (una aguja, temprana)
- ↑ Shaffner, páginas 204-206
- ↑ «Telégrafo de una sola aguja - Zeigertelegraf», Musée des Arts et Métiers, París, stkone, Flickr, recuperado el 16 de febrero de 2013.
- ↑ Shaffner, página 221
Bibliografía
- Beauchamp, Ken, History of Telegraphy, IET, 2001 ISBN 0852967926.
- Bowers, Brian, Sir Charles Wheatstone: 1802–1875, IET, 2001 ISBN 0852961030.
- Bowler, Peter J.; Morus, Iwan Rhys, Making Modern Science: A Historical Survey, University of Chicago Press, 2010 ISBN 0226068625.
- Burns, Russel W., Communications: An International History of the Formative Years, IEE, 2004 ISBN 0863413277.
- Cooke, William F., Telegraphic Railways or the Single Way, Simpkin, Marshall & Company, 1842 OCLC 213732219.
- Duffy, Michael C., Electric Railways: 1880-1990, IEE, 2003, ISBN 9780852968055.
- Guillemin, Amédée, The Applications of Physical Forces, Macmillan and Company, 1877 OCLC 5894380237.
- Huurdeman, Anton A., The Worldwide History of Telecommunications, John Wiley & Sons, 2003 ISBN 0471205052.
- Kieve, Jeffrey L., The Electric Telegraph: A Social and Economic History, David y Charles, 1973 OCLC 655205099.
- Mercer, David, The Telephone: The Life Story of a Technology, Greenwood Publishing Group, 2006 ISBN 031333207X.
- Shaffner, Taliaferro Preston, The Telegraph Manual, Pudney & Russell, 1859.