Sistema de fase partida

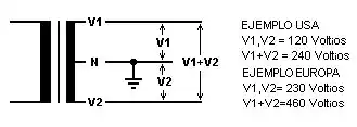
Un sistema de corriente de fase partida o fase dividida (en inglés split phase) es aquel que consta de dos corrientes alternas monofásicas distribuidas en 3 cables o hilos, se usa normalmente en Estados Unidos en viviendas unifamiliares y pequeños comercios. Es el equivalente, en corriente alterna, al original sistema de corriente continua Edison de tres hilos.[1]
Para evitar confusiones con el motor eléctrico de fase partida, es aconsejable denominar a este sistema de voltaje como sistema de fase única de 3 cables.
Véase también
Referencias
- ↑ Terrell Croft y Wilford Summers (ed), American Electricians' Handbook, Eleventh Edition, McGraw Hill, New York (1987) ISBN 0-07-013932-6, capítulo 3, páginas 3-10, 3-14 a 3-22.