SIDAC
| SIDAC | ||
|---|---|---|
| Tipo | Semiconductor | |
| Principio de funcionamiento | Tiristor bi-direccional de conmutación por voltaje | |
| Símbolo electrónico | ||
![]() | ||
| Terminales | MT1 y MT2 | |
El SIDAC o Diodo de silicio para corriente alterna (English:Silicon Diode for Alternating Current) es un dispositivo bilateral de disparo de alta tensión y corriente. Es básicamente un diodo de cuatro capas con unas características eléctricas simétricas. El SIDAC se utiliza en aplicaciones en las cuales se necesita una tensión de disparo típicamente comprendida entre 104 y 280 V.[1] Forma parte de la familia de los Tiristores, comúnmente llamados diodos tiristores bi-direccionales, es técnicamente especificado como un interruptor conmutado de tensión bilateral.[2] El SIDAC es un dispositivo de conmutación activado por voltaje y utilizado en circuitos de encendido de lámparas compuestas por halogenuros metálicos así como en la iluminación de calles y exteriores en circuitos de encendido de lámparas de vapor de sodio de alta presión.[3]
Los SIDAC se distinguen de los DIACs por el hecho de que están diseñados para manejar mayor potencia que los segundos, es decir, que generalmente presentan un mayor voltaje de disrupción y pueden transportar una mayor cantidad de corriente que los DIACs.[4]
Definición
EL SIDAC es un dispositivo de alto voltaje de disparo bilateral que amplía las capacidades de disparo para voltajes y corrientes significativamente más altos que los DIACs, lo que permite nuevas aplicaciones rentables. Al ser un dispositivo bilateral, pasa de un estado de bloqueo a un estado de conducción cuando el voltaje aplicado de cualquier polaridad supera el voltaje de transición. Al igual que en otros dispositivos de activación, (SBS), los SIDAC se activan al pasar de una región de resistencia negativa a una de baja tensión en el estado de activación y permanecen en estado de conducción hasta que la corriente principal del terminal se interrumpe o cae por debajo de la corriente de mantenimiento. Los rangos de alto voltaje y corriente que manejan los SIDACs los hacen ideales para aplicaciones con altos niveles de potencia en donde otros dispositivos de disparo no son capaces de funcionar por sí solos, sin la ayuda de componentes elevadores.
Física del dispositivo

El SIDAC es un interruptor de silicio semiconductor de múltiples capas. Este componente es conmutado por tensión y puede ser operado como interruptor bidireccional. Por lo general, los SIDAC se utilizan en el suministro de potencia de alta tensión, o de circuitos de encendido.[5]
El SIDAC posee una estructura similar a la del Diodo Shockley con la singular característica de tener una quinta capa P en su estructura.
Es un dispositivo compuesto, en principio, por cuatro capas semiconductoras NPNP más una capa P. Esencialmente, es un dispositivo interruptor que al aplicársele tensión positiva entre el ánodo y el cátodo, tendrá polarización directa entre dos de las uniones PN y una polarización inversa en las uniones NP. En estas condiciones, únicamente circula corriente muy baja y el dispositivo se encuentra en estado de corte o bloqueo. Al aumentar esta tensión, se llega a un voltaje de ruptura o avalancha, en el cual la corriente crece de forma abrupta y la caída de tensión decrece de idéntico modo. En este momento, el SIDAC ha conmutado desde el estado de bloqueo al de conducción.[1]
Curva característica

La curva característica de un SIDAC es similar a la curva de un diodo Shockley de cuatro capas. La relación de corriente y voltaje de ruptura muestra que se requiere un voltaje capaz de llevar al SIDAC a un estado de conducción del SIDAC con un voltaje alrededor de 1.1 V. Una vez que la tensión de la fuente supera este umbral de encendido, el dispositivo se enciende y el voltaje cae rápidamente al valor de conducción, mientras que la corriente aumenta.
Entre las principales regiones de un SIDAC están la región de corte, región de resistencia negativa y la región de saturación o conducción.
Características térmicas
Este robusto interruptor de estado sólido está diseñado para manejar aplicaciones de encendido de lámparas que requieren un funcionamiento a temperaturas ambientes alrededor de 90 °C donde los componentes del circuito de ignición pueden aumentar la temperatura de la unión del SIDAC hasta 125 °C, especialmente cuando el elemento de la lámpara se remueve o se rompe. Dependiendo de la corriente y de la temperatura, se ve afectado el voltaje instantáneo de encendido, principalmente si se encuentra en temperaturas cercanas a 125 °C, las características de temperaturas en función de la corriente y el voltaje se pueden obtener en las relaciones I-V disponibles en la hoja de datos del fabricante.
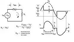
Circuito básico

Un circuito básico para la operación de un SIDAC consiste en conectarlo en serie con la fuente de tensión alterna y la carga. Puede observarse que, una vez que el voltaje de entrada sobrepasa al valor de disparo, denominado VBO el dispositivo conmuta al voltaje de encendido señalado como VT (1,1 V) y puede conducir una corriente definida según las especificaciones del fabricante. Este circuito puede ser utilizado para el encendido de lámparas tanto en interiores como en exteriores.
Aplicaciones
- Generadores de impulsos.
- Protecciones de sobretensión.
- Arrancadores de alta tensión para lámparas.
- Encendedores de gas natural.
- Alimentación de alta tensión.
- Arrancadores de lámparas de Xenón.
- Arrancadores para luminarias fluorescentes.
- Arrancadores para iluminación HID.[6]
Fabricación
Los SIDAC están disponibles en series de gran tamaño que son económicas y fáciles de insertar y en series axiales que posen un pequeño encapsulado.
Entre los principales encapsulados para los SIDAC, disponibles en el mercado electrónico, están los de configuración axial, los de montaje superficial y los tipos 1 y 70.
Las características térmicas y demás capacidades de operación que pueda tener un SIDAC dependen principalmente del método utilizado para su fabricación. Entre los principales métodos de manufactura de los SIDAC y tiristores en general es la fabricación en Pallet que puede ser por el método difundido y planar difundido. El otro grupo es por encapsulación de Pellet.
Entre los principales fabricantes y distribuidores se encuentran:
- ON Semiconductor[7]
- Motorola
- Teccor Electronics
- Littelfuse, Inc.[8]
- NTE Electronics, Inc.[9]
- Wuxi Xuyang Electronic Co., Ltd.[10]
- Jinan Jingheng Electronics Co., Ltd.
- Changzhou Ruiying Import & Export Corp., Ltd.
- Jinan Power Sky Innovation Co.,
Véase también
- Diodo Shockley
- SBS
- DIAC
- Tiristor
- Interruptor unilateral de silicio
- Triac
- Rectificador controlado de silicio
Referencias
- ↑ a b «Copia archivada». Archivado desde el original el 30 de marzo de 2016. Consultado el 16 de noviembre de 2011.
- ↑ DIAC
- ↑ http://www.littelfuse.com/data/en/Data_Sheets/Littelfuse_Thyristor_Kxxx1G.pdf
- ↑ http://www.ecelab.com/sidac.htm
- ↑ http://freecircuitdiagram.com/2010/10/12/sidac-basic-operation/
- ↑ https://web.archive.org/web/20100326141934/http://www.play.com.br/datasheet/SIDAC.pdf
- ↑ http://www.onsemi.com/
- ↑ http://www.littelfuse.com/
- ↑ http://www.nteinc.com/
- ↑ http://wxxuyang.en.ec21.com/
