Rectificador de onda completa
Un rectificador de onda completa es un circuito empleado para convertir una señal de corriente alterna de entrada (Vi) en una señal de corriente pulsante de salida (Vo). A diferencia del rectificador de media onda, en este caso, la parte negativa de la señal se convierte en positiva o bien la parte positiva de la señal se convertirá en negativa, según se necesite una señal positiva o negativa de corriente continua.
Existen dos alternativas, bien empleando dos diodos o empleando cuatro (puente de Graetz).
Rectificador con dos diodos

En el circuito de la figura, ambos diodos no pueden encontrarse simultáneamente en directa o en inversa, ya que las diferencias de potencial a las que están sometidos son de signo contrario; por tanto uno se encontrará polarizado inversamente y el otro directamente. La tensión de entrada (Vi) es, en este caso, la media de la tensión del secundario del transformador.
Tensión de entrada positiva

El diodo 1 se encuentra en polarización directa(conduce), mientras que el 2 se encuentra en polarización inversa (no conduce). La tensión de salida es igual a la de entrada. Nota:los diodos en posición directa conducen altas corrientes,en posición inversa alta tensiones.
Tensión de entrada negativa

El diodo 2 se encuentra en polarización directa (conduce), mientras que el diodo 1 se encuentra en polarización inversa (no conduce). La tensión de salida es igual a la de entrada pero de signo contrario. El diodo 1 ha de soportar en inversa la tensión máxima del secundario .
08
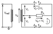
Puente de Graetz o Puente Rectificador de doble onda

En este caso se emplean cuatro diodos con la disposición de la figura. Al igual que antes, solo son posibles dos estados de conducción, o bien los diodos 1 y 3 están en directa y conducen (tensión positiva) o por el contrario son los diodos 2 y 4 los que se encuentran en directa y conducen (tensión negativa).
A diferencia del caso anterior, ahora la tensión máxima de salida es la del secundario del transformador (el doble de la del caso anterior), la misma que han de soportar los diodos en inversa, al igual que en el rectificador con dos diodos. Esta es la configuración usualmente empleada para la obtención de onda continua , que se rectifica
Tensión rectificada
- Vo (tensión continua de salida) = Vi ( tensión alterna de entrada) = Vs/2 en el rectificador con diodos.
- Vo = Vi = Vs en el rectificador con puente de Graetz.
Si consideramos la caída de tensión típica de los diodos de silicio en conducción, aproximadamente 0,7V; tendremos que para el caso del rectificador de doble onda la Vo = |Vi| - 1,4V.


