Puente de Maxwell
Un puente de Maxwell es una modificación de un puente de Wheatstone que se utiliza para medir una inductancia desconocida (generalmente de un valor de Q bajo) en términos de resistencia calibrada e inductancia o resistencia y capacitancia. Cuando los componentes calibrados son una resistencia paralela y un condensador, el puente se conoce como puente Maxwell-Wien. Lleva el nombre de James Clerk Maxwell, quien lo describió por primera vez en 1873.
Utiliza el principio de que el ángulo de fase positivo de una impedancia inductiva se puede compensar con el ángulo de fase negativo de una impedancia capacitiva cuando se coloca en el brazo opuesto y el circuito está en resonancia; es decir, no hay diferencia de potencial entre el detector (un voltímetro de CA o un amperímetro) y, por lo tanto, no fluye corriente a través de él. La inductancia desconocida entonces puede ser conocida en términos de esta capacitancia.

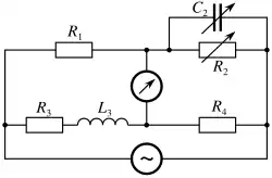
Siguiendo las referencias de la imagen, y son resistencias fijas y conocidas. y son variables y sus valores finales serán los que equilibren el puente y servirán para calcular la inductancia. y serán calculados según el valor de los otros componentes:
Para evitar las dificultades al precisar el valor del condensador variable, este se puede sustituir por uno fijo y colocar en serie una o más resistencias variables.
La complejidad adicional de usar un puente Maxwell sobre otros más simples se justifica cuando hay inductancia mutua o interferencias electromagnéticas. Cuando el puente esté en equilibrio la reactancia capacitiva será igual a la reactancia inductiva, pudiéndose determinar la resistencia e inductancia de la carga ( y ).