Procesos de oxidación avanzada
Los procesos de oxidación avanzada (POA) pueden definirse como procesos que implican la formación de radicales hidroxilo (°OH) de potencial normal de reducción (E = 2.8 V) mucho mayor que el de otros oxidantes tradicionales (ozono, 2.07 V; peróxido de hidrógeno, 1.78 V; dióxido de cloro, 1.57 V, y cloro, 1.36 V). Estos radicales son capaces de oxidar compuestos orgánicos principalmente por abstracción de hidrógeno o por adición electrofílica a dobles enlaces generándose radicales orgánicos libres (R°) que reaccionan a su vez con moléculas de oxígeno formando un peroxiradical, iniciándose una serie de reacciones de degradación oxidativa que pueden conducir a la completa mineralización de los contaminantes. En el caso de microorganismos, estos radicales son tóxicos ya que atacan la doble capa bilipídica que conforma la pared externa de la célula generando reacciones de peroxidación lipídica letales para el microorganismo, Dentro de los PAO se encuentran procesos como: ozono, radiación ultravioleta, H2O2. Uno de los inconvenientes de estos dos procesos es su elevado coste por el uso de reactivos caros (como H2O2) y/o elevado costo energético por el uso de lámparas fluorescentes. Además del costo de los reactivos, su uso se complicaría por la logística de mantener su suministro.
Fotocatálisis
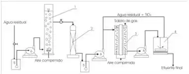
La fotocatálisis[1] es una reacción fotoquímica que involucra la absorción de luz ultravioleta y un catalizador como material semiconductor. Durante este proceso se presentan reacciones de oxidación y reducción. Para llevar a cabo la fotocatálisis es necesaria la activación del catalizador (TiO2) mediante radiación ultravioleta a unas longitudes de onda (λ) adecuadas. De esta forma, por cada fotón con una energía determinada que incide sobre el material semiconductor, se promueve un electrón de la banda de valencia a la banda de conducción. Mediante esta tecnología se generan oxidantes como el ion hidroxilo que, en medio acuoso, reaccionan con los contaminantes orgánicos degradándolos a dióxido de carbono, agua (CO2> + H2O) y otras sales. Además, se genera un gran proceso de desinfección superior al 99,9% de efectividad en eliminación bacterias, virus y todo tipo de organismos patógenos sin utilizar ningún agente químico. Por otra parte, no produce ningún tipo de corrosión ni deterioro de las instalaciones ya que el sistema no emplea el uso de agentes químicos al tratarse de un sistema de tratamiento físico que no modifica las propiedades organolépticas del agua. El tratamiento de fotocatálisis es, por tanto, adecuado para desinfección de agua residual o agua de proceso industrial y además, debido a su carácter oxidante y la facilidad para romper enlaces complejos, puede usarse como pretratamiento a otro tipo de oxidación con el objetivo de reducir DQO en aguas poco biodegradables y con dificultad para ser oxidadas con los métodos convencionales. Dentro de la fotocatálisis se tienen dos tipos de técnicas: Procesos heterogéneos, los cuales son mediados por un semiconductor como catalizador y los procesos homogéneos o procesos mediados por compuestos férricos, en donde el sistema es usado en una sola fase.
Fotocatálisis heterogénea
La fotocatálisis heterogénea utilizando dióxido de titanio como catalizador consiste básicamente en la producción de radicales hidroxilos •OH por medio de la activación de un catalizador, por acción de la luz UV. Esencialmente ocurre una promoción de electrones de la banda de valencia a la de conducción, lo que a su vez forma un hueco positivo en dicha banda de valencia, y estos interactúan con iones hidróxido y agua para formar el radical libre •OH. Los electrones en la banda de conducción interactúan con el oxígeno molecular para formar el radical superóxido (•O2) y peróxido de hidrógeno (H2O2) que a su vez generan radicales •OH.
Mecanismo fotocatalítico

El TiO2 es el semiconductor más usado en fotocatálisis, debido a que es química y biológicamente inerte, no es tóxico, es estable a corrosión fotoquímica y química, es abundante y económico, además posee un gap de energía de 3.2 eV que puede ser excitado con luz UV de λ < 387 nm, la cual puede ser aportada por la luz solar. El TiO2 se encuentra en tres formas cristalinas: brookita, rutilo y anatasa, siendo las dos últimas las más efectivas en tratamientos de aguas residuales. La anatasa es termodinámicamente menos estable que el rutilo, sin embargo, posee mayor área superficial y alta densidad superficial de sitios activos para la adsorción y la catálisis. Las energías del gap son de 3.2 eV para la anatasa y 3.0 eV para el rutilo, no obstante los procesos oxidativos son similares. Con el fin de que los resultados obtenidos en diferentes investigaciones sean reproducibles muchos investigadores han seleccionado una fuente particular de TiO2, el cual es reconocido por su alta actividad fotocatalítica.
El dióxido de titanio Degussa P-25, lo que hace que sea el material más usado en aplicaciones fotocatalíticas ambientales. El producto es una mezcla de las fases cristalinas anatasa: rutilo en proporción 80:20 en un 99.5 % de pureza, posee un área superficial específica de 50 ± 15 m²/g y un diámetro promedio de 21 nm. En solución se encuentra típicamente en agregados primarios de 0.1 μm de diámetro. Las posiciones de las bandas de valencia y de conducción han sido calculadas en + 2.9 y –0.3 eV, respectivamente, a pH 0. Con la absorción de un fotón de longitud de energía mayor que la Egap (3.2 eV) un electrón de la banda de valencia es promovido a la banda de conducción, generándose un hueco en la primera. Tanto el electrón promovido como el hueco pueden participar en reacciones redox con diversas especies químicas debido a que el hueco es fuertemente oxidante y el electrón en la banda de conducción es moderadamente reductor.
Parámetros que influyen en el proceso de fotocatálisis con TiO2
Existen varios parámetros que influyen cualitativa y cuantitativamente en el proceso de óxido-reducción fotocatalítico, se presentan los más importantes:
- Temperatura
La variación de la temperatura no afecta significativamente la velocidad de las reacciones fotocatalíticas. La interfase óxido/electrolito es una superficie cargada eléctricamente la cual depende fuertemente del pH del medio y la carga movilizada sobre la superficie determina la estabilidad coloidal de las partículas del óxido en suspensión.[2]
- pH
El pH de la solución acuosa afecta significativamente la carga de la partícula de catalizador y por tanto el tamaño de sus agregados y las posiciones de los máximos y mínimos de las bandas del TiO2 debido a su carácter anfotérico. Debe trabajarse a un pH diferente al punto de carga cero donde la superficie del óxido no está cargada. El punto de carga cero (isoeléctrico) del TiO2 se encuentra alrededor de pH 7. Por encima o por debajo de este valor, el catalizador se carga positiva o negativamente. Valores cercanos a la neutralidad no tienen efecto significativo sobre la operación. Un análisis detallado del pH óptimo no solo incluye su incidencia sobre el sustrato inicial sino también la incidencia que tiene el mismo sobre el resto de los compuestos intermedios generados en la degradación.[3]
- Influencia del oxígeno
El oxígeno es necesario para la mineralización completa del contaminante y no debe competir con las otras especies durante la adsorción sobre el catalizador. El oxígeno disminuye la recombinación del electrón–hueco generado y además forma radicales muy reactivos del tipo O2•. La concentración de oxígeno afecta directamente velocidad de reacción la cual aumenta con la presión parcial del oxígeno en el agua.[4]
- Intensidad de la luz
La velocidad de reacción es proporcional a la intensidad de la luz hasta cierta intensidad específica para cada proceso. A partir de esta intensidad característica, la velocidad de reacción se hace proporcional a la raíz cuadrada de la intensidad de la luz debido a una mayor recombinación electrón-hueco.[5] En el proceso de degradación fotocatalítica de contaminantes influyen una serie de parámetros que van desde la naturaleza del catalizador, la configuración del foto-reactor, la fuente de luz empleada, hasta los procesos de adsorción del contaminante sobre el catalizador, que estarán afectados por las propiedades de éste. Las reacciones pueden ser de orden 1, ½ o 0, según la intensidad de la irradiación.[6]
Fotocatálisis homogénea (foto Fenton)
La fotocatálisis homogénea o foto Fenton hace referencia a la reacción del peróxido de hidrógeno con sales ferrosas, generando radicales hidroxilo en condiciones de pH ácido a temperaturas moderadas y la descomposición foto-asistida del peróxido de hidrógeno con sales ferrosas, los cuales forman parte de los procesos de oxidación avanzada.
Foto Fenton
Este método, se produce al catalizar el peróxido de hidrógeno con hierro, dando como resultado la formación de radicales libres altamente reactivos del hidroxilo (OH). Es una reacción llamada así por su descubridor en 1894, Henry John Horstman Fenton (1854-1929), ingeniero químico británico. Las reacciones en camino de la producción de radicales OH• electroquímicamente se puede representar con las reacciones dadas a continuación:
Fe3+ + e-→ Fe2+ (1)
O2 + 2e- + 2H+ → H2O2 (2)
Fe2+ + H2O2 + hv → Fe3+ + OH• + OH- (3)
•OH es un agente oxidante no selectivo, muy potente que reacciona con compuestos orgánicos hasta que se consigue su mineralización (conversión en iones de CO2 e inorgánicos). En este sistema catalítico la reacción puede ser propagada a través de la regeneración de Fe2+ que tiene lugar principalmente por la reducción de Fe3+ con especies electro generadas H2O2. H2O2 se produce a través de la reacción (2) por borboteo de gas O2 a través de la solución ácida con una pequeña concentración de Fe2+ o Fe3+ en el compartimiento catódico. Los contaminantes se destruyen por la acción de forma OH• en la reacción (3). Este sistema ha sido utilizado con éxito en la hidroxilación de algunos compuestos orgánicos.[7]

Antecedentes en el uso del Foto Fenton y el dióxido de titanio en el tratamiento de aguas
Uno de los procesos actuales en cuanto al tratamiento del agua, es la destoxificación fotocatalítica con radiación solar, es una tecnología que lleva menos de tres décadas de investigación al nivel industrial con muy buenos avances, en países como Estados Unidos, Canadá, Japón y España. Dicha tecnología, utiliza sustancias que ayudan en las diferentes reacciones que ocurren. Tales sustancias son, entre otras, el reactivo fenton y el dióxido de titanio. Estos compuestos han sido utilizados a lo largo del tiempo en distintos procesos, manifestando, cada uno de ellos, características diferentes que lo hacen especial y diferente comparativamente con otros.
Uno de los casos donde se evidencia el uso del dióxido de titanio (TiO2) se encuentra en una de las industrias más contaminantes en el Japón: la industria textil, en la que se utilizan procesos biológicos para el tratamiento de las aguas residuales, presentando dificultades en la remoción de algunos químicos, ya que las aguas residuales presentan altos contenidos de carbono orgánico total (COT) y colorantes.
Se han realizado ensayos usando procesos físicos y químicos para reducir estas altas cantidades de COT y de colorantes. Para ello se está utilizando la fotocatálisis en presencia de TiO2 que degradan gran cantidad de colorantes químicos, con una eficiente separación y reutilización del TiO2
Igualmente, en Hong Kong, la industria textil ha tratado sus aguas residuales mediante el tratamiento IDEA: (Intermittently Decant Extended Aeration) que consiste en el uso de la fotocatálisis con TiO2 después de un tratamiento biológico, obteniéndose agua de muy buena calidad que permite reutilizarse, ‘ya que se obtienen muy buenas remociones de COT y color.[8]
Referencias
- ↑ Menéndez Carreño, José. «Fotocatálisis». Archivado desde el original el 23 de enero de 2010. Consultado el 9 de marzo de 2010.
- ↑ R. Bauer, G. Waldner, H. Fallmann, S. Hager, M. Klare, T. Krutzler, S. Malato, P. Maletzky., The Photo-Fenton Reaction and the TiO2/UV Process For Waste Water Treatment- Novel Developments., Catalysis Today 53 (1999) 131-144
- ↑ B.Bayarri, J. Giménez, D. Curcó, S. Esplugas, Photocatalytic degradation of 2,4- dichlorophenol by TiO2/UV: Kinetics, actinometries and models, Catalysis Today.101, 3-4 (2005) 227-236.
- ↑ Malato S. Solar Detoxification, chapter 4, Edition of UNESCO, 2002.
- ↑ Blesa, Miguel A., Eliminación de Contaminantes por Fotocatálisis Heterogénea, 2001, ISBN 987-43-3809-1
- ↑ Sixto Malato, Julian Blanco, Alfonso Vidal, Christoph Richter, Photocatalysis with solar energy at a pilot-plant scale: an overview, Applied Catalysis B: Environmental 37(2002) 1–15
- ↑ Kusvuran, Erdal. Gulnaz, Osman. Irmak, Sibel. Atanur, Osman M. Yavuz, H. Ibrahim. Erbatur, Oktay. Comparison of several advanced oxidation processes for the decolorization of Reactive Red 120 azo dye in aqueous solution. Elsevier, B109 (2004) 85–93
- ↑ GARCÉS GIRALDO Luis Fernando & RODRÍGUEZ RESTREPO Alejandra. Corporación Universitaria Lasallista Correspondencia: Luis Fernando Garcés Giraldo. e-mail: lugarces@lasallista.edu.co Línea de investigación: Tratamiento de Aguas. Semillero de investigación en Gestión y Medio Ambiente SIGMA