Multiplexación por división de frecuencias ortogonales
| Técnicas de modulación | ||
|---|---|---|
| Modulación analógica | ||
| Modulación digital | ||
|
| ||
| Espectro disperso | ||
|
| ||
| Ver también | ||
|
| ||
La multiplexación por división de frecuencias ortogonales —en inglés orthogonal frequency division multiplexing (OFDM)— es una técnica de transmisión que consiste en la multiplexación de un conjunto de ondas portadoras de diferentes frecuencias, donde cada una transporta información, la cual es modulada en QAM o en PSK. OFDM se ha convertido en un esquema popular para la comunicación digital de banda ancha, que se utiliza en aplicaciones como la televisión digital, radiodifusión digital, acceso a Internet mediante línea de abonado digital (DSL), redes inalámbricas, comunicaciones mediante redes eléctricas y la telefonía móvil 4G.
OFDM es un esquema de multiplexación por división de frecuencia utilizado como un método de modulación multiportadora digital para transmisión de símbolos que fue desarrollado por el ingeniero estadounidense Robert W. Chang de Bell Telephone Laboratories en 1966 y patentado cuatro años después.[1][2] En esta técnica se emiten numerosas señales subportadoras ortogonales muy espaciadas con espectros superpuestos para transmitir datos. La demodulación se basa en algoritmos de transformada rápida de Fourier. Los ingenieros estadounidenses Stephen Weinstein y Paul Ebert mejoraron la OFDM en 1971 con la introducción de un intervalo de guarda, lo que proporciona una mejor ortogonalidad en los canales de transmisión afectados por la propagación de trayectos múltiples.[2][3] Cada subportadora se modula con un esquema de modulación convencional, como la modulación de amplitud en cuadratura modulación por desplazamiento de fase a una baja tasa de símbolos. Esto mantiene velocidades de datos totales similares a los esquemas de modulación de portadora única convencionales en el mismo ancho de banda.
La principal ventaja de OFDM sobre los esquemas de portadora única es su capacidad para hacer frente a condiciones severas del canal (por ejemplo, la atenuación de altas frecuencias en un cable de cobre largo, la interferencia de banda estrecha y el desvanecimiento selectivo de la frecuencia debido a múltiples trayectorias) sin filtros complejos de ecualización. La ecualización de canales se simplifica porque se puede considerar que OFDM utiliza muchas señales de banda estrecha de modulación lenta en lugar de una señal de banda ancha de modulación rápida. La baja tasa de símbolos hace que se utilice un intervalo de guarda entre los símbolos, lo que hace posible eliminar la interferencia entre símbolos (ISI) y el uso de ecos y la dispersión en tiempo para lograr una ganancia de diversidad, es decir, una mejora de la relación señal/ruido. Este mecanismo también facilita el diseño de redes de frecuencia única (SFN, por sus siglas en inglés) en los que varios transmisores adyacentes envían la misma señal simultáneamente a la misma frecuencia, ya que las señales de los transmisores múltiples se pueden combinar de forma constructiva, evitando la interferencia de un sistema tradicional de una sola portadora.
Estándares que utilizan OFDM
Algunos de los estándares utilizados por OFDM son descritos seguidamente:
IEEE 802.11a
Este estándar es parte de la familia de estándares para redes locales y de redes de área metropolitana, en el cual se especifican el uso de OFDM para la entidad física, y las modificaciones que hay que hacer a los datos recibidos de la capa superior para conformar la trama que pasará a modularse. Las bandas de trabajo a las que se refiere el estándar son 5,15-5,25, 5,25-5,35 y 5,725-5,825 GHz, en las cuales se puede trabajar sin licencia explícita. La OFDM le proporciona a las redes que operan bajo este estándar tasas de transmisión de 6, 9, 12, 18, 24, 36, 48 y 54 Mbps. Como mínimo, las tasas de 6,12 y 24 Mbps deben ser soportadas por los equipos que se acojan a este estándar.
Al momento de escribir esta sección se están comenzando a comercializar dispositivos que, si bien no sólo actúan acordes al estándar 802.11a, lo aceptan como uno de los posibles modos de funcionamiento, como en tarjetas de conexión inalámbrica de computadores portátiles.
IEEE 802.11g
El estándar 802.11g se estableció en 2003 como un nuevo protocolo inalámbrico que mejoraba las tasas de transmisión existentes. Es un tipo de híbrido entre los estándares 802.11a y 802.11b. El estándar 802.11g usa la misma tecnología de transmisión que el 802.11a, OFDM, lo que aumenta la tasa de transmisión. Sin embargo, usa la banda de trabajo de 2,4 GHz, en lugar de la banda de 5 GHz del estándar 802.11a, y a semejanza del 802.11b.
Las mejoras que el estándar IEEE 802.11g ofrece con respecto a los demás estándares 802.11 son: - Provisión de cuatro capas físicas diferentes. - El uso obligatorio del preámbulo corto. - Nuevos mecanismos de protección para satisfacer los aspectos de la interoperabilidad.
IEEE 802.16
Este estándar establece, de nuevo, el uso de OFDM como una opción más de modulación, especificándose modos de operación de 64, 2048 o 4096 subportadoras. No todo el ancho de banda está “lleno” de portadoras. Las bandas de guarda son necesarias para permitir la caída del espectro a los lados, por lo que algunas subportadoras marginales se pondrán a cero. Otras portadoras se usarán como pilotos, como es habitual para tareas de estimación del canal y de seguimiento. Análogamente, los símbolos OFDM irán precedidos por un intervalo de guardia.
En la norma 802.16 se presentan dos modalidades de sistemas OFDM: una nombrada simplemente como OFDM y la otra como OFDMA. La primera se fija en las aplicaciones menos exigentes, de poca distancia, y en la mayoría de los casos para uso dentro de oficinas y viviendas. Usa un algoritmo de transformada rápida de Fourier de 256 puntos, a diferencia del estándar 802.16a, que usa 64 puntos. Todas las subportadoras se transmiten de una vez. El flujo de datos de bajada se multiplexa en tiempo (TDM). El flujo de subida accede mediante TDMA.
En OFDMA las 2048 o 4096 subportadoras se dividen en subcanales. En el flujo de bajada se usan para crear flujos lógicos separados. Estos flujos emplean diferentes modulaciones, codificaciones y amplitudes para ofrecer a cada usuario diferentes características de transmisión. Por otra parte, en el flujo ascendente, los subcanales se usan para el acceso múltiple. Los usuarios se asignan a un canal mediante un protocolo de acceso al medio que se envía en el flujo descendente.
HIPERMAN es el estándar paralelo a 802.16 del Instituto Europeo de Normas de Telecomunicaciones (ETSI). Es idéntico a 802.16a y 802.16d, salvo que sólo contempla la capa física sobre OFDM.
DVB-T
El principio de operación de este estándar, llamado OFDM codificado (COFDM), guarda ciertas semejanzas con el estándar 802.16. El estándar fue ratificado en marzo de 1997 por el ETSI. Especifica la señal modulada digitalmente en el lado del modulador y deja abierta las especificaciones en el lado del receptor para diferentes soluciones. Al momento de ser planteado este estándar, tenía que operar con el espectro UHF existente para transmisiones analógicas lo que significa que tenía que ofrecer suficiente protección contra altos niveles de interferencia cocanal y suficiente protección contra interferencia de canal adyacente (ACI). Además, el espectro UHF existente debía ser aprovechado del modo más eficiente, por lo que se propuso la existencia de las redes de una sola frecuencia. En este tipo de redes, los transmisores usan la misma frecuencia si transmiten los mismos contenedores de datos. Para cumplir con estos requerimientos, se eligió para transmitir, a COFDM.
Desde el punto de vista de capa física, se establecen dos modos de funcionamiento: 2k y 8k, que tienen que ver con el número de portadoras empleadas en la OFDM. El estándar DVB-T supone un gran impulso al uso de la modulación OFDM para sistemas inalámbricos, reafirmándose como una alternativa adecuada en entornos inalámbricos, tras haber sido cuestionada en algunos artículos, en los que se descartaba esta opción por los problemas, antes mencionados, de poca eficiencia al pasar por dispositivos no lineales, como un amplificador de potencia (PA o HPA).
Sistemas que utilizan OFDM
Entre los sistemas que usan la modulación OFDM destacan:
- Las normas de televisión digital terrestre DVB-T e ISDB-T.
- La radio digital DAB
- La radio digital de baja frecuencia DRM
- El protocolo de enlace DSL
- El protocolo de red de área local IEEE 802.11a/g/n, también conocido como Wireless LAN
- El sistema de transmisión inalámbrica de datos WiMAX
- El sistema de transmisión de datos de Power Line Communications (PLC)
- Telefonía móvil 4G LTE
Modelo ideal de sistema OFDM
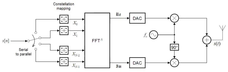
Transmisor

En la entrada del modulador, la señal que es un flujo en serie de dígitos binarios, se convierte en flujos paralelos, gracias a un multiplexor inverso, los cuales entran a los bloques que asignan constelaciones (marcados como Constellation mapping). En éstos, los flujos de bits se agrupan en "k" bits y a cada uno de esos grupos se les asigna un "símbolo" denotado, por lo general, por un número complejo:[4]
donde:
los cuales son los componentes en fase y cuadratura de cada símbolo.
En el bloque marcado como se calcula una transformada rápida inversa de Fourier para cada conjunto de símbolos , dando un conjunto de muestras complejas en el dominio del tiempo. De estas muestras, se separan los componentes reales e imaginarios, indicados como y los cuales se convierten primero a señales analógicas mediante convertidores digital a analógico (DAC). Las señales analógicas obtenidas se utilizan para modular las ondas de coseno y seno a la frecuencia portadora, , respectivamente. Estas señales se suman para proporcionar la señal de transmisión, .
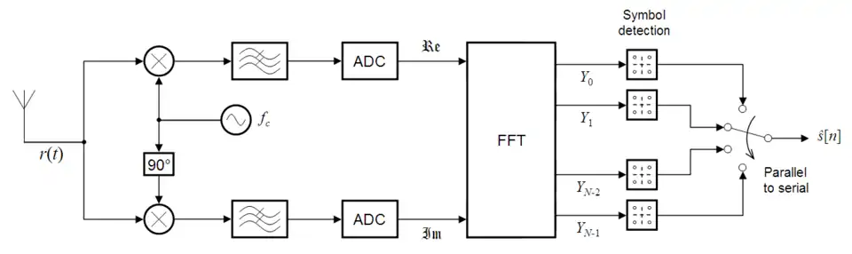
Recepción

La señal recibida es dividida en dos flujos paralelos idénticos y demodulada mediante demoduladores de producto a los cuales se aplica una señal senoidal de frecuencia y una señal similar con retraso de 90°, obtenida mediante un circuito de recuperación de portadora. A la salida de los demoduladores, las señales de salida atraviesan filtros de paso bajo y un par de convertidores analógico a digital. Las señales resultantes, indicadas como y son las entradas del bloque el cual se encarga de aplicarles una Transformada Rápida de Fourier con lo cual se obtiene un conjunto de flujos de salida cada uno de los cuales se convierte en binario mediante detectores de símbolo adecuados. Mediante un multiplexor, los flujos paralelos se convierten en un solo flujo serial con la señal de salida
Descripción matemática de OFDM
Ortogonalidad[5]
Cada uno de los símbolos transmitidos en OFDM modula solamente a una portadora senoidal que consta de dos componentes de la misma frecuencia, uno desfasado en 90° respecto del otro, por lo que son ortogonales. Por lo tanto, cada símbolo transmitido se puede expresar como:
y por lo tanto, se verifica siempre que:
(1)
siendo cualquier número entero menor o igual al número total de portadoras.
Si se toman dos portadoras consecutivas de frecuencias y , se calcula la integral durante un período :
(2)
Suponiendo que y son múltiplos enteros de una frecuencia de referencia entonces, debe verificarse que:
(3)
Reemplazando en la ecuación () las igualdades (), se obtiene:
(4)
La frecuencia angular de referencia, siempre es igual a , donde es la inversa de la frecuencia (no angular) de referencia y también es la duración de un símbolo en OFDM. La definición de esta frecuencia es:
donde es el ancho de banda disponible y es la cantidad de portadoras. Sustituyendo en la ecuación () a , ahora se tendrá la expresión:
(5)
Esta ecuación no puede ser válida si y siempre valdrá cero, ya que el seno de un múltiplo del ángulo siempre es nulo. Si las dos portadoras se expresan con la función seno, también el resultado es cero. Por lo tanto, si cada subportadora es múltiplo entero de una frecuencia de referencia y si la diferencia entre portadoras adyacentes es igual a dicha frecuencia, se garantiza la ortogonalidad.
Análisis complejo de la OFDM
La señal OFDM equivalente de paso bajo, en su forma compleja, se expresa en la siguiente ecuación:[6]
(1)
que es la expresión de la transformada discreta de Fourier (NO, no lo es. La DFT convierte una SECUENCIA de números discretos x[n] a una secuencia de números complejos X[k] correspondientes a su representación espectral con frecuencias discretas de 0 a . La ecuación previa está mezclando tiempo continuo con tiempo discreto.) en la cual es un conjunto de símbolos que es una secuencia de números complejos, es el número de subportadoras y es la duración del símbolo de OFDM. La separación de hertz entre las subportadoras, hace que estas sean ortogonales entre sí, durante un período de símbolo. Entonces, supongamos que hay dos señales portadoras vecinas de frecuencias y , siendo y números enteros, las cuales son ortogonales si se cumple esta igualdad:
(2)
en la cual:
: conjugada compleja del primer exponente
: función delta de Kronecker que vale 1 si y 0 en otro caso.
Para evitar la interferencia entre símbolos, debe ser insertado un intervalo de guarda de longitud antes del bloque OFDM. Durante este intervalo, se transmite un prefijo cíclico de manera que la señal en el intervalo es igual a la señal en el intervalo . La señal OFDM con prefijo cíclico es idéntica a la ecuación (), por lo que:[6]
(3)
La señal de paso bajo anterior puede ser real o compleja. Las señales equivalentes de paso bajo de valores reales se transmiten normalmente en banda base: las aplicaciones como DSL utilizan este enfoque. Para aplicaciones inalámbricas, la señal de paso bajo suele tener un valor complejo; en cuyo caso, la señal transmitida se convierte a una frecuencia portadora . En general, la señal transmitida se puede representar como:
(4)
donde:
:parte real de la función entre las llaves
: módulo del símbolo
:representa el argumento del símbolo .
La ecuación () se justifica ya que, como se recuerda, representa un número complejo expresable en la forma
Véase también
- Modulación de Amplitud en Cuadratura
- Multiplexación por división de frecuencia
- Transformada de Fourier
- Transformada Discreta de Fourier
Referencias
- ↑ «Patent US3488445: Orthogonal frequency multiplex data transmission system.» (en inglés). United States Patents Office. Consultado el 19 de octubre de 2018.
- ↑ a b Weinstein, Stephen (3 de noviembre de 2009). «The history of orthogonal frequency-division multiplexing». IEEE Communications Magazine (11 edición) (IEEE) 47. doi:10.1109/MCOM.2009.5307460. Consultado el 19 de octubre de 2018.
- ↑ Weinstein, Stephen; Ebert, Paul (octubre de 1971). «Data Transmission by Frequency-Division Multiplexing Using the Discrete Fourier Transform». IEEE Transactions on Communication Technology (en inglés) (5 edición) (IEEE) 19. doi:10.1109/TCOM.1971.1090705. Consultado el 19 de octubre de 2018.
- ↑ Xiong, Fuqin (2006). Digital modulation techniques (2° edición). Norwood, EE.UU.: Artech House, Inc. p. 649. ISBN 1-58053-863-0. Consultado el 26 de octubre de 2018.
- ↑ Pisciotta, Néstor; Liendo, Carlos; Lauro, Roberto (2013). Transmisión de Televisión Digital Terrestre en la norma ISDB-Tb (1 edición). Cengage Learning Argentina. pp. 112-113. ISBN 978-987-1954-08-7.
- ↑ a b Ballal, Beena; Chadha, Ankit; Satam, Neha (enero de 2013). «Orthogonal Frequency Division Multiplexing and its Applications». International Journal of Science and Research (en inglés) 2 (1): 326. ISSN 2319-7064.
Enlaces externos
- Vergara González, José Mauricio. «Simulación de un Esquema de Modulación/Demodulación OFDM Utilizando un Modelo de Canal Multitrayectoria». Ecuador: Escuela Politécnica Superior del Litoral. Consultado el 19 de octubre de 2018.
- Gallardo Moreno, Juan Pablo. «Proyecto fin de carrera: Estudio de un sistema CDMA-OFDM (Capítulo 2)». Biblioteca de la Escuela Superior de Ingenieros de Sevilla. Archivado desde el original el 20 de octubre de 2018. Consultado el 19 de octubre de 2018.