Normas europeas de modelismo

Las Normas europeas de modelismo (NEM) se crearon en 1954 para asegurar la coherencia de los productos de modelismo. Están definidas para el modelismo ferroviario por la comisión técnica de la Unión Europea de modelistas ferroviarios y de amigos del ferrocarril (MOROP).

En los EE. UU. es la NMRA (National Model Railroad Association) NMRA la que viene fijando las normas ferroviarias desde 1936.

Las dos asociaciones trabajan en común para definir, por ejemplo, las escalas, los anchos de vía, los radios de curvatura, los perfiles de las ruedas, los enganches y el DCC (mando digitalizado).

Aplicación

Ni las normas, recomendaciones o documentación son vinculantes para los fabricantes y proveedores. Sin embargo, se adhieren a ellas en aspectos importantes para garantizar la compatibilidad de los productos de diferentes fabricantes.

Las normas definen, entre otras, los criterios de referencia para las maquetas de trenes. Recomiendan los rados mínimos y ancho de vía, perfiles de las ruedas, enganches y también la señal de datos del Control Digital de los trenes (DCC). Las normas cubren una gama similar a las normas y recomendaciones de la NMRA de los Estados Unidos o de la British Railway Modelling Standards Bureau (BSRM)[1]​ de Gran Bretaña. Sin embargo las normas no garantizan la interoperabilidad en todos los ámbitos.

En la normalización del DCC (Digital Command Control), tanto el MOROP como la NMRA y los fabricantes de la época colaboraron mucho más estrechamente de lo habitual en su creación. En esencia, los fabricantes ya habían proporcionado los elementos básicos.

Los fabricantes y proveedores suelen tener en cuenta las normas, recomendaciones y documentación según la NEM para los productos basados en modelos europeos continentales, mientras que los fabricantes y proveedores de productos basados en modelos norteamericanos suelen seguir las normas NMRA. De la misma manera ocurre con los productos basados en los modelos británicos y de la Commonwealth que toman como referencia las normas del BSRM.

Historia

NEM 013, primera edición de 1958, ferrocarriles de vía estrecha, tamaños, escalas, Extracto. El contenido está actualmente incluido en la NEM 010.

Unos años después de la fundación del MOROP, todavía en la década de los años 50,[2]​ se elaboraron las normas fundamentales. En la mayoría de los casos, se basaba en las normas de fábrica de los fabricantes de maquetas de la época o, por ejemplo, en el caso de Suiza, en las normas establecidas ya en los años 30 por las asociaciones de maquetas de la época.[3]

Las primeras normas aparecieron en 1957 y 1958. En aquella época no existían recomendaciones ni documentación. Eran:

  • NEM 011 Diagrama de escalas (primera edición 1958)
  • NEM 010, eidición de 2011, Modelismo ferroviario. Escalas, tamaños nominales, gálibos. El diagrama se completa con los términos utilizados principalmente en los países francófonos y anglófonos y su literatura.
    NEM 012 Escalas y tamaños nominales (primera edición 1958)
  • NEM 013 Ferrocarriles de vía estrecha, tamaños nominales y escalas (primera edición 1958)
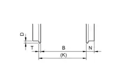
  • Extracto del croquis de la norma NEM 310. Eje con cotas de guiado.
    NEM 101 Limitación de vehículos (primera edición 1958)
  • NEM 102 Gálibo de libre circulación, hoja 1 y hoja 2 (primera edición 1958)
  • NEM 121 Perfiles de carriles (primera edición 1958)
  • NEM 122 Placas de pie de vía (primera edición 1958)
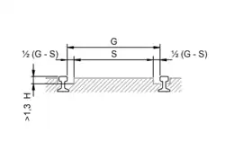
  • NEM 123 Dimensiones de la vía (primera edición 1957)
  • NEM 124 Guiado de rueda y carril de aletas para desvío (primera edición 1958)
  • NEM 310 Rueda y carril (primera edición 1958)
  • NEM 311 Perfil de las pestañas de las ruedas (primera edición)
  • NEM 312 Ruedas (primera edición 1958)
  • Extracto de la norma NEM 110 de las cotas de vía y desvíos. El contenido era originalmente objeto de la norma NEM 310.
    NEM 313 Eje de caja y espiga para material remolcado (primera edición 1958)
  • NEM 314 Eje cónico para material remolcado (primera edición 1958)
  • NEM 350 Enganches, clasificación (primera edición 1958)
  • NEM 602 Equipo eléctrico, principios (primera edición 1958)

En las décadas de los años 80 y 90 se añadieron otras normas y recomendaciones relativas a las maquetas de trenes controladas digitalmente, construcción de módulos y las épocas del ferrocarril. Las normas y recomendaciones para las maquetas de trenes controladas digitalmente, así como la construcción de módulos, se basaban principalmente en normas de fábrica y sistemas de módulos que aplicaban clubes y grupos individuales.

Desde los años 90, el MOROP no ha dado ningún impulso decisivo en materia de normas, recomendaciones y documentación. Una excepción es el receptáculo estándar NEM 362 para cabezas de enganche intercambiables para H0, S y 0, que permite insertar varias cabezas de enganche intercambiables con clip en un cajetín normalizado que es el receptáculo del enganche.

Todas las normas, recomendaciones y documentación válidas se pueden consultar en la web a partir del año 2008.[4]​ A partir de 2012 se conserva un historial de los cambios introducidos en las normas, las recomendaciones y la documentación. No es posible rastrear los cambios anteriores a la creación de las normas antes de 2012, ya que no existía mandato oficial para realizarlo.

A partir de 2012 las normas NEM están traducidas al español y catalán y se encuentran en el portal de la Federación Catalana de Amigos del Ferrocarril (FCAF) o en la página personal de Isaac Guadix.

Tipo de documentación

  • Normas, en abreviado N: Son las normas imperativas o de obligado cumplimiento, y tienen por objetivo una explotación funcionalmente segura en modelismo, fiel al prototipo y también garantizar la compatibilidad entre las producciones de los diferentes constructores.
  • Recomendaciones, en abreviado R: No son imperativas y tienen como objetivo dar consejos con vistas a tener una buena similitud con el prototipo, ciertos intercambios o eficacia en ciertas funciones.
  • Documentación, en abreviado D: Son documentos de índole variada que contienen reglas de orden, referencias, cuadros sinópticos, guías de trabajo, métodos de medida, etc.

Esta formulación está incluida en la norma NEM 002 que tiene como título Reglamento para la elaboración de las NEM.

Sistema de ordenación

Las normas, recomendaciones y documentación se identifican según un sistema de numeración de tres dígitos. Las nomras, recomendaciones y documentación de la 001 a la 800 (+900) son competencia exclusiva del MOROP. La competencia de las recomendaciones y documentaciones de la 801 a la 999 (Excepto la NEM 900) corresponde a las respectivas asociaciones nacionales o a las asociaciones que representan a cada uno de los países, y pueden llevar la abreviatura del país en el que deben ser válidas. El orden de numeración lo pone el MOROP después de que la Asociación correspondiente ha realizado la proposición al mismo.

Numeración Descripción
001 - 099 Conceptos básicos
100 - 199 Ingeniería civil
200 - 299 Equipamiento eléctrico (cateniaria)
300 - 399 Vehículos
600 - 699 Control de maquetas de tren
800 - 899 Épocas ferroviarias
900 - 999 Sistema modular

Enlaces Web

Véase también

Modelismo ferroviario

MOROP

Referencias

  1. «Las normas británicas se pueden encontrar en el foro de RMWeb». 
  2. Publicación en alemán: Modellbahn-Handbuch, Klaus Gerlach, VEB Verlag für Verkerswesen Transpress (1965)
  3. Las revistas Schweizerische Eisenbahn-Amateur y Modellbau-Zeitung publicadas entre 1937 y 1946.
  4. «Las normas están compactadas por año a partir de 2008 en un archivo zip, tanto en francés como en alemán».