Mezclador electrónico
Un mezclador electrónico es un circuito que procesa las señales de sus entradas para obtener a la salida una combinación de las mismas.
Tipos de mezcladores electrónicos
Se distinguen dos tipologías básicas de mezcladores electrónicos. Aunque ambos comparten el término mezclador, son dos configuraciones de circuitos diferentes.[1]
Los mezcladores aditivos, suman las amplitudes de las señales de entrada, entregando a la salida una combinación lineal de todas las entradas. Lo que exige utilizar circuitos con transferencia lineal. Se utilizan mayormente en audio frecuencias.[2]
Los mezcladores multiplicadores o moduladores, multiplican las señales de entrada, entregando a la salida varias señales con distintas frecuencias de las de entrada. Se lo denomina también efecto heterodino. Esto exige utilizar circuitos con características alineales. Se utilizan en radiofrecuencias.

Mezcladores aditivos
Dentro de este tipo se encuentran los circuitos de mezcla pasiva y los de mezcla activa.
Los mezcladores pasivos están compuestos por una malla resistiva donde las entradas aportan las señales hacia un nodo común, compuesto por una red de resistores.
La salida puede representarse por la ecuación:

Estos sencillos sumadores aditivos se basan en la ley de Kirchoff que suma en un nodo la corriente que aporta cada entrada, (correspondiente a la resistencia de cada una). Solo suma las amplitudes y la salida solo contiene las frecuencias de las señales originales.[3]
Estos resistores comúnmente son reemplazados por potenciómetros, que permiten variar fácilmente el aporte de cada entrada a la salida en común.
El mayor problema de esta sencilla configuración es la interacción entre las entradas, ya que un cambio en una interactúa con el resto, haciendo muy imprecisa la suma total.
Como este tipo de mezclador se utiliza mayormente en audio frecuencias, se ha desarrollado toda una rama técnica al respecto, la electrónica de audio. Siendo los mezcladores de audio el corazón de las mesas de mezcla y por lo tanto de gran utilidad en telecomunicaciones, radiodifusión y música. Permitiendo adicionar señales de voz, música y efectos sonoros, para lograr una mezcla.

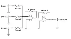
Para esto se utilizan los mezcladores activos, compuestos por una etapa amplificadora que permite independizar el estado de cada entrada en la salida.
Así una típica mesa de mezcla estará compuesta por varios canales de entrada donde cada uno tendrá sus etapas amplificadoras y ecualizadoras confluyendo al sumador de salida. En esta etapa se utiliza por defecto un amplificador operacional en configuración inversor, como nodo de suma de corrientes, con la ventaja que, en el punto de suma tenemos una masa virtual y por lo tanto no hay interacción entre las distintas entradas.

Mezcladores multiplicadores
También conocidos como mezcladores de frecuencia entregan a su salida el producto de dos señales de entrada.[4] Se utilizan comúnmente junto a un oscilador en el campo de las comunicaciones para modular la señal. Los mezcladores multiplicativos pueden acoplarse a un filtro para obtener la parte alta o baja de la multiplicación de las dos frecuencias de las señales entrantes, lo más común es obtener la frecuencia baja y así acoplados a un simple filtro lograr lo que se denomina un receptor superheterodino.
En muchos circuitos típicos la señal de salida puede contener realmente múltiples señales, determinadas por la suma y diferencia de las dos frecuencias de entrada más una cantidad de frecuencias armónicas. La salida deseada puede obtenerse removiendo las demás señales con un filtro, utilizados en la etapa de frecuencia intermedia.[5]
Cualquier bloque de circuito electrónico no lineal que reciba dos señales con frecuencias distintas, por ejemplo f1 y f2 generará un producto de intermodulación (mezclado). Un multiplicador (que es un dispositivo no lineal) generaría idealmente solo la suma y diferencia de estas frecuencias, aunque un bloque típico generará además señales espurias. Por lo tanto un normal amplificador no lineal o un simple diodo se puede utilizar en mezcladores, en lugar de circuitos más complejos. Un circuito multiplicador tiene la ventaja de rechazar (por lo menos parciamente) intermodulaciones de orden alto con buena ganancia de conversión.[6]
Implementaciones
Los mezcladores electrónicos de este tipo se realizan usualmente con transistores o diodos en un arreglo balanceado y se fabrican aplicando tecnologías de integración.[7]
Entre las configuraciones más populares están :
Las mezcladoras de célula de Gilbert son una topología de transistores que multiplica las dos señales con circuitos doble balanceado con transistores en configuración diferencial utilizando la alinealidad de unos diodos de polarización.
Las mezcladoras de anillo tienen dos transformadores y una serie de diodos en un anillo. Los transformadores se ordenan para que una señal cambie la dirección de circulación de los diodos, permitiendo que pase o no, la señal de excitación del transformador de entrada. Las mezcladoras de anillo de diodos son populares porque el mecanismo inyecta menos ruido, y pierde menos poder de señal que otros métodos. También, los transformadores pueden ser usados para aparear las impedancias de la etapa de mezcla al resto del sistema electrónico.[8]
Las mezcladoras de conmutación manejan más poder y generalmente adicionan menos deformación, utilizan un conjunto de transistores como llaves electrónicas, controlados por una señal de entrada que conmutará a la otra señal, que serán entonces mezcladas. Son especialmente populares en radios con control digital.
Referencias
- ↑ Zetina, Angel (2000). Editorial Limusa, ed. Electrónica básica. Limusa. ISBN 9789681857905.
- ↑ Millán Esteller, Juan Manuel (2012). Editorial Paraninfo, ed. Instalaciones de megafonía y sonorización. Paraninfo. ISBN 9788497328913. Consultado el 16 de mayo de 2018.
- ↑ «Mezcladores de audio».
- ↑ Vazquez, Sergio Gallardo (2015). Ediciones Paraninfo, ed. Elementos de sistemas de telecomunicaciones. Ediciones Paraninfo, S.A. ISBN 9788428336635. Consultado el 16 de mayo de 2018.
- ↑ Peréz Vega, Constantino (2007). Sistemas de telecomunicación. Servicio de Publicaciones de la Universidad de Cantabria. ISBN 9788481024548. Consultado el 16 de mayo de 2018.
- ↑ Tomasi, Wayne (2003). Pearson, ed. Sistemas de comunicaciones electrónicas. Pearson Educacion. ISBN 9789702603160. Consultado el 16 de mayo de 2018.
- ↑ «Mezcladores».
- ↑ «Circuitos de radiofrecuencia». Archivado desde el original el 16 de mayo de 2017. Consultado el 4 de mayo de 2018.