Karol Pollak
| Karol Pollak | ||
|---|---|---|
![]() | ||
| Información personal | ||
| Nacimiento |
15 de noviembre de 1859 Sanok (Polonia) | |
| Fallecimiento |
17 de diciembre de 1928 (69 años) Bielsko-Biała (Polonia) | |
| Sepultura | Bielsko-Biała | |
| Nacionalidad | Polaca | |
| Información profesional | ||
| Ocupación | Ingeniero | |
| Distinciones |
| |
Karol Franciszek Pollak (15 de noviembre de 1859 - 17 de diciembre de 1928) fue un electrotécnico, inventor y empresario polaco.
Primeros años
Nació en Sanok, Reino de Galicia y Lodomeria, que formaba parte del Imperio Austriaco. Su padre era Karol Pollak (1818-80), que era impresor, librero y editor, muy conocido en Sanok. Karol (no hay que confundirlo con su padre) trabajó en su juventud como electricista y demostró grandes habilidades técnicas en ello. En 1883 fue contratado en el laboratorio de la empresa británica "The Patent Utilisation Co". En esa época diseñó y registró sus primeras patentes. En 1885 cursó estudios de electrotecnia en la Real Universidad Politécnica de Charlottenburg.
Actividad
En Berlín, Pollak dirigió la fábrica electrotécnica "G. Wehr Telegraphen-Bau-Anstalt". Más tarde regresó a Gran Bretaña para comercializar sus patentes, que se dieron a conocer bajo la versión anglicista de su nombre, "Charles Pollak". En 1886 se convirtió en director de una empresa parisina de tranvías eléctricos de su diseño. Mientras tanto, trabajó en el diseño de una célula electroquímica. Tuvo mucho éxito en este tema y le hizo famoso. Más tarde fundó fábricas de baterías en Frankfurt (Alemania) y en Liesing (Austria). Muchas empresas de fabricación de pilas y baterías obtuvieron la licencia de sus diseños.
En 1899 fundó su propio laboratorio y prosiguió sus investigaciones. Obtuvo 98 patentes sobre sus invenciones.
En 1922 regresó a Polonia, donde un año después fundó una fábrica en Biała, que existe hasta la actualidad.[1] La empresa comenzó con el nombre de Polskie Towarzystwo Akumulatorowe y fue cofundada por el profesor y presidente de Polonia, Ignacy Mościcki. Sin embargo, Pollak fue el primer presidente de esta empresa. Pollak a veces se conoce como el Edison de Polonia. En 1925 recibió el título de Doctor Honoris Causa de la Universidad Tecnológica de Varsovia.
Inventos más importantes

Sus numerosos inventos también abarcan otras áreas, entre ellas: motores eléctricos, dispositivo de impresión en color y un tipo de micrófono. Su principal actividad estaba relacionada con las fuentes químicas de energía: pilas y baterías galvánicas. Obtuvo una patente para la fabricación de baterías de plomo-ácido.

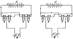
También ha diseñado conmutadores y rectificadores electrolíticos. En 1895 fue el primero en sugerir el uso del circuito de rectificación de diodos de puente completo,[2] más tarde conocido por Leo Graetz. En 1896, Pollak inventó el condensador electrolítico.[3]
Referencias
- ↑ «Fabryka Akumulatorów EnerSys Sp. z o.o». Archivado desde el original el 1 de mayo de 2021. Consultado el 23 de junio de 2021.
- ↑ British patent 24398
- ↑ German patent D.R.P. 92564.
Bibliografía
- Encyklopedia. Vol. 2. Warszawa. PWN. 1991.
- Kubiatowski, Jerzy (1984). Słownik polskich pionierów techniki. Katowice. págs. 166-167.
