Galvanómetro

| Hilos de entrada de corriente a medir | Resorte de retroceso |
Un galvanómetro es un instrumento que se usa para detectar y medir la corriente eléctrica.[1] Se trata de un transductor analógico electromecánico que produce una deformación de rotación en una aguja o puntero en respuesta a la corriente eléctrica que fluye a través de su bobina.[2] Este término se ha ampliado para incluir los usos del mismo dispositivo en equipos de grabación, posicionamiento y servomecanismos.
Es capaz de detectar la presencia de pequeñas corrientes en un circuito cerrado, y puede ser adaptado, mediante su calibración, para medir su magnitud. Su principio de operación (bobina móvil e imán fijo) se conoce como mecanismo de D'Arsonval,[2] en honor al científico que lo desarrolló. Este consiste en una bobina normalmente rectangular, por la cual circula la corriente que se quiere medir. Esta bobina está suspendida dentro del campo magnético asociado a un imán permanente, según su eje vertical, de forma tal que el ángulo de giro de dicha bobina es proporcional a la corriente que la atraviesa.[3] La inmensa mayoría de los instrumentos indicadores de aguja empleados en instrumentos analógicos se basan en el principio de operación explicado, utilizándose una bobina suspendida dentro del campo asociado a un imán permanente. Los métodos de suspensión empleados varían, lo cual determina la sensibilidad del instrumento. Así, cuando la suspensión se logra mediante una cinta metálica tensa, puede obtenerse deflexión a plena escala con solo 2 μA, pero el instrumento resulta extremadamente frágil, mientras que el sistema de "joyas y pivotes", semejante al empleado en relojería, permite obtener un instrumento más robusto pero menos sensible que el anterior, en el que típicamente se obtiene deflexión a plena escala, con 50 μA.
Origen del galvanómetro

La desviación de las agujas de una brújula magnética mediante la corriente en un alambre fue descrita por primera vez por Hans Oersted en 1820.[4] Los primeros galvanómetros fueron descritos por Johann Schweigger en la Universidad de Halle el 16 de septiembre de ese año. El físico francés André-Marie Ampère también contribuyó a su desarrollo. Los primeros diseños aumentaron el efecto del campo magnético debido a la corriente mediante el uso de múltiples vueltas de alambre; estos instrumentos fueron denominados "multiplicadores" debido a esta característica de diseño común. El término "galvanómetro", de uso común desde 1836, se deriva del apellido del investigador italiano Luigi Galvani, que descubrió que la corriente eléctrica podía hacer mover la pata de una rana.[5]
Originalmente, los galvanómetros se basaron en el campo magnético terrestre para proporcionar la fuerza para restablecer la aguja de la brújula; estos se denominaron galvanómetros "tangentes" y debían ser orientados, según el campo magnético terrestre, antes de su uso.[6] Más tarde, los instrumentos del tipo "estático" usaron imanes en oposición, lo que los hizo independientes del campo magnético de la Tierra y podían funcionar en cualquier orientación. La forma más sensible, el galvanómetro de Thompson o de espejo, fue inventado por William Thomson (Lord Kelvin). En lugar de tener una aguja, utilizaba diminutos imanes unidos a un pequeño espejo ligero, suspendido por un hilo. Se basaba en la desviación de un haz de luz muy magnificado debido a corrientes pequeñas. Alternativamente, la deflexión de los imanes suspendidos se podía observar directamente a través de un microscopio.
La capacidad de medir cuantitativamente el voltaje y la corriente en los galvanómetros permitió al físico Georg Ohm formular la Ley de Ohm, que establece que el voltaje a través de un conductor es directamente proporcional a la corriente que pasa a través de él.
El primer galvanómetro de imán móvil tenía la desventaja de ser afectado por cualquier imán u objeto de hierro colocado en su cercanía, y la desviación de su aguja no era proporcionalmente lineal a la corriente. En 1882, Jacques-Arsène d'Arsonval desarrolló un dispositivo con un imán estático permanente y una bobina de alambre en movimiento, suspendida por resortes en espiral. El campo magnético concentrado y la delicada suspensión hacían de este un instrumento sensible que podía ser montado en cualquier posición. En 1888, Edward Weston desarrolló una forma comercial de este instrumento, que se convirtió en un componente estándar en los equipos eléctricos. Este diseño es casi universalmente utilizado en medidores de veleta móvil actualmente.
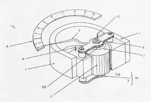
Componentes del galvanómetro
Todos los tipos de galvanómetros contienen básicamente todos estos elementos:
- Imán permanente o imán temporal
- Bobina móvil
- Aguja indicadora
- Escala en unidades según tipos de lecturas
- Pivotes
- Cojinetes
- Resortes
- Pernos de retención
- Tornillo de ajuste cero
- Mecanismo de amortiguamiento
Tipos de galvanómetros

Según el mecanismo interno, los galvanómetros pueden ser de imán móvil o de cuadro móvil.
Imán móvil
En un galvanómetro de imán móvil la aguja indicadora está asociada a un imán que se encuentra situado en el interior de una bobina por la que circula la corriente que se trata de medir y que crea un campo magnético que, dependiendo del sentido de la misma, produce una atracción o repulsión del imán proporcional a la intensidad de dicha corriente.
Cuadro móvil
En el galvanómetro de cuadro móvil o bobina móvil, el efecto es similar, difiriendo únicamente en que en este caso la aguja indicadora está asociada a una pequeña bobina, por la que circula la corriente a medir y que se encuentra en el seno del campo magnético producido por un imán fijo.
En el diagrama de la derecha está representado un galvanómetro de cuadro móvil en el que, en rojo, se aprecia la bobina o cuadro móvil y en verde el resorte que hace que la aguja indicadora vuelva a la posición de reposo una vez que cesa el paso de corriente.
En el caso de los galvanómetros térmicos, lo que se pone de manifiesto es el alargamiento producido al calentarse, por el Efecto Joule, al paso de la corriente, un hilo muy delgado arrollado a un cilindro solidario con la aguja indicadora. Lógicamente el mayor o menor alargamiento es proporcional a la intensidad de la corriente.
Véase también
Referencias
- ↑ Lévy, Elie (3 de septiembre de 2004). Diccionario de física (Ed. Económica). Ediciones AKAL. ISBN 9788446012559. Consultado el 10 de febrero de 2018.
- ↑ a b Gadea, Víctor Armijo (1 de septiembre de 2015). Supervisión de las pruebas de seguridad y funcionamiento realizadas en el mantenimiento de las instalaciones eléctricas en el entorno de edificios y con fines especiales (UF1446). Editorial Elearning, S.L. Consultado el 10 de febrero de 2018.
- ↑ Gómez, Antonio Lara Barragán; Trejo, Héctor Nuñez; Cortés, Guillermo Cerpa; Pérez, María Elena Rodríguez (21 de octubre de 2014). Introducción al Electromagnetismo: Un enfoque constructivista basado en competencias. Grupo Editorial Patria. ISBN 9786074389227. Consultado el 10 de febrero de 2018.
- ↑ Giancoli, Douglas C. (2006). Fisica Volumen 2. Pearson Educación. ISBN 9789702607779. Consultado el 10 de febrero de 2018.
- ↑ Jordá, Francisco Gosálbez; Cortina, Juan Carlos Llosa (2002). Principios de cirugía cardíaca. Universidad de Oviedo. ISBN 9788483173220. Consultado el 10 de febrero de 2018.
- ↑ Lévy, Elie (7 de octubre de 1992). Diccionario Akal de Física. Ediciones AKAL. ISBN 9788446001447. Consultado el 10 de febrero de 2018.