Duanre
| Duanre en jeroglífico |
dw3 n rˁ |
Duanre fue un príncipe de la cuarta dinastía del Antiguo Egipto, que fue chaty con el faraón Menkaura, su hermanastro. Era hijo del faraón Jafra y de Meresanj III, y llevaba, entre otros, el título de Hijo mayor de Jafra.[1] Estaba casado con Nubhetep,[2] y un hijo suyo, Babaef, fue chaty con Shepseskaf, sucesor de Menkaura.
Tumba

Duanre fue enterrado en la mastaba G5110, situada en la necrópolis occidental de la Pirámide de Keops, que ha sido restaurada y abierta al público. Fue investigada por Schiaparelli en torno a 1838, y encontró un pozo de enterramiento que contenía un sarcófago de granito rosa sin ninguna inscripción, que se conserva en el Museo Egipcio de Turín.
-
El sarcófago de granito rojo de Duaenre, Museo Egipcio, Turín -

-

Descripción
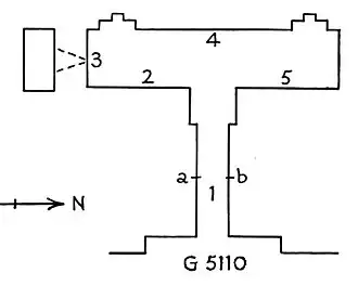
En contraste con la típica forma en "L" de las capillas funerarias de las mastabas, la de Duanre tiene un diseño cruciforme con una entrada central en la pared oriental.[3] En la capilla, a la que se accede tras un pequeño corredor (1), las paredes están decoradas con relieves de la familia de Duanre, con las ofrendas al Ka del fallecido y con escenas de la vida cotidiana: campesinos cuidando animales (gacelas, cabras montesas y un ganso), artesanos, e incluso la construcción de un barco. En la pared occidental (4) hay dos puertas falsas, y en la pared sur una abertura muestra el serdab (3).[4]
Referencias
Citas
- ↑ Hawass: op. cit., pág. 135.
- ↑ Bulletin, pág. 67.
- ↑ Supreme Council of Antiquities, op. cit., pág. 72
- ↑ Veloso: op. cit.
Fuentes
- Dodson, Aidan y Hilton, Dyan (2004). «The Complete Royal Families of Ancient Egypt». American University in Cairo Press. pp. 52-61. ISBN 977-424-878-3.
- Hawass, Zahi (2006). Mountains of the pharaohs. Ed. Doubleday. ISBN 0-385-50305-9. (requiere registro).
- «The Tomb of Meresankh, a Great-Granddaughter of Queen Hetep-Heres I and Sneferuw». Bulletin of the Museum of fine Arts XXV (151). octubre de 1927. Archivado desde el original el 28 de septiembre de 2007. Consultado el 9 de junio de 2009.
- Supreme Council of Antiquities (2008). Bulletin of the Egyptian Museum. Ed. American University in Cairo Press. ISBN 977-437-296-4. Consultado el 9 de junio de 2009.
- Veloso, Bryan (2009). «Giza Western Cemetery». Egyptian Monuments (en inglés). Consultado el 9 de junio de 2009.