Aproximación instrumental

Un procedimiento de aproximación instrumental o aproximación por instrumentos,[1] es una serie de determinadas maniobras que realizan aeronaves que operan bajo reglas de vuelo instrumental para la transición ordenada desde el inicio de la aproximación a un aeropuerto hasta el aterrizaje, o hasta un punto en el que se puede proceder con aterrizaje visual.[2] Este concepto también se le conocía anteriormente como aproximación sin visibilidad o aproximación a ciegas, aunque estos términos han caído en desuso.[1]
Conceptos básicos
Altura o altitud de decisión

En una aproximación de precisión, la altura de decisión (DH) o altitud de decisión (DA) es una altura o altitud baja especificada en el descenso de aproximación a la cual, si se dispone de la referencia visual requerida para continuar la aproximación (como las señales de pista o el entorno de la pista) no es visible para el piloto, el piloto deberá iniciar una aproximación frustrada. Una altura de decisión se mide AGL (sobre el nivel del suelo), mientras que una altitud de decisión se mide por encima de MSL (nivel medio del mar) Los valores específicos para DH y/o DA en un aeropuerto determinado se establecen con la intención de permitir al piloto tiempo suficiente para reconfigurar de forma segura una aeronave para ascender y ejecutar los procedimientos de aproximación frustrada evitando el terreno y los obstáculos. Si bien un DH/DA indica la altitud a la que se debe iniciar un procedimiento de aproximación frustrada, no impide que la aeronave descienda por debajo del DH/DA prescrito.
Altitud mínima de descenso (MDA)

En una aproximación que no es de precisión (es decir, cuando no se proporciona una senda de planeo electrónica), la altitud mínima de descenso (MDA) es la altitud más baja, expresada en pies sobre el nivel medio del mar, a la que se autoriza el descenso en la aproximación final o durante el círculo para maniobras en tierra en ejecución de un procedimiento estándar de aproximación por instrumentos.[3] El piloto puede descender hasta la MDA y puede mantenerla, pero no debe descender por debajo de ella hasta que se obtenga una referencia visual, y deberá iniciar una aproximación frustrada, si la referencia visual no se ha obtenido, al alcanzar el punto de aproximación frustrada (MAP).
El DH/DA, el parámetro correspondiente para la aproximación de precisión, se diferencia de MDA en que el procedimiento de aproximación frustrada debe iniciarse inmediatamente al llegar a DH/DA, si aún no se ha obtenido una referencia visual: pero se permite algo de sobrepaso por debajo del mismo al hacerlo porque del momento vertical involucrado en seguir una trayectoria de planeo de aproximación de precisión.
Si una pista tiene definidas aproximaciones de precisión y de no precisión, el MDA de la aproximación de no precisión es casi siempre mayor que el DH/DA de la aproximación de precisión, debido a la falta de guía vertical en la aproximación de no precisión. La altura adicional depende de la precisión de la ayuda para la navegación en la que se basa la aproximación, siendo las aproximaciones ADF y las SRA las que tienden a tener los MDA más altos.
Aproximación directa IFR
Una aproximación por instrumentos en la que se inicia la aproximación final sin haber ejecutado primero un giro de procedimiento, y no necesariamente se completa con un aterrizaje directo o se alcanzan los mínimos de aterrizaje directo. Una aproximación directa por instrumentos no requiere ningún giro de procedimiento ni ningún otro procedimiento de inversión de rumbo para la alineación (generalmente indicado por "NoPT" en las placas de aproximación), ya que la dirección de llegada y el rumbo de Aproximación final no son muy diferentes entre sí. La aproximación directa se puede finalizar con un aterrizaje directo o un procedimiento de aterrizaje circular.
Procedimientos de giro en rumbo

Algunos procedimientos de aproximación no permiten aproximaciones directas a menos que los pilotos estén siendo guiados por radar. En estas situaciones, se requiere que los pilotos completen un giro de procedimiento (PT) u otra inversión de rumbo, generalmente dentro de las 10 NM del punto de referencia PT, para establecer la aeronave entrante en el segmento de aproximación intermedia o final. Al realizar cualquier tipo de aproximación, si la aeronave no está alineada para una aproximación directa, entonces podría ser necesario invertir el rumbo. La idea de una inversión o giro de rumbo es permitir cambios suficientemente grandes en el rumbo seguido (para alinear la aeronave con el rumbo de aproximación final), sin ocupar demasiado espacio horizontalmente y mientras permanece dentro de los límites del espacio aéreo protegido. Esto se logra de tres maneras: un giro de procedimiento, un patrón de espera o una inversión del rumbo en forma de lágrima.
- Turno de procedimiento (PT)
La OACI define un PT como una maniobra en la que se realiza un giro alejándose de una trayectoria designada seguido de un giro en la dirección opuesta para permitir que la aeronave intercepte y avance a lo largo del recíproco de la trayectoria designada y una forma estandarizada de invertir el rumbo para alinearse para la aproximación final. La carta de aproximación debe indicar que se autoriza un giro de procedimiento para la aproximación, mediante un símbolo de "púa de giro de procedimiento" o una notación similar. Tenga en cuenta que cuando existe un giro de procedimiento para una aproximación, la velocidad máxima de la aeronave en el giro de procedimiento está limitada por las regulaciones (normalmente, no debe exceder los 200 nudos IAS). El giro de procedimiento generalmente se ingresa siguiendo un rumbo de ayuda para la navegación de salida (generalmente siguiendo un rumbo recíproco del rumbo de entrada) y luego girando 45° fuera del rumbo; después de eso, el piloto vuela este tramo durante un tiempo determinado, luego realiza un giro de 180° para tomar un rumbo de intercepción de 45° y luego vuelve a interceptar el rumbo de ingreso.
- Espera en lugar de turno de procedimiento
Se establece sobre un punto de referencia final o intermedio cuando se puede realizar una aproximación desde un patrón de espera adecuadamente alineado. Es una maniobra requerida, al igual que un PT, a menos que la aeronave esté siendo dirigida por radar al rumbo de aproximación final, cuando se muestre "NoPT" en la carta de aproximación, o cuando el piloto solicite o el controlador le aconseje que haga un ' enfoque directo. Esta maniobra se conoce comúnmente como patrón de pista de rodaje. Por supuesto, es otro método para invertir el rumbo, pero también se puede utilizar para perder altitud dentro del espacio aéreo protegido. Un patrón de retención o de espera utilizado para este propósito se describe en las publicaciones del Gobierno de Estados Unidos como el símbolo del patrón de espera "espera en lugar de PT". El procedimiento tiene dos patas paralelas.

- Procedimiento de lágrima o giro de ingreso
El procedimiento de lágrima consiste en salir de un punto de aproximación inicial en un rumbo de salida seguido y luego hacer un giro hacia la interceptación para el rumbo de entrada en o antes del punto o punto intermedio. Si el espacio aéreo controlado es extremadamente limitado, se puede utilizar una lágrima para invertir la dirección de la aeronave y permitirle perder altitud. Este procedimiento, visto en un gráfico, tiene la forma de una lágrima idealizada, de ahí el nombre. Por lo general, consiste en un rumbo de salida en un ángulo de 30° con respecto al recíproco del rumbo de entrada y luego realizar un giro de 210° para interceptar el rumbo de entrada.
Maniobra de círculo en aterrizaje
El círculo para aterrizar es una maniobra iniciada por el piloto para alinear la aeronave con una pista para aterrizar cuando un aterrizaje directo desde una aproximación por instrumentos no es posible o no es deseable, y solo después de que se haya obtenido la autorización del ATC y el piloto ha establecido y mantiene la referencia visual requerida hacia el aeropuerto. Una maniobra de círculo para aterrizar es una alternativa a un aterrizaje directo. Es una maniobra que se utiliza cuando una pista no está alineada dentro de los 30 grados del rumbo de aproximación final del procedimiento de aproximación por instrumentos o la aproximación final requiere 400 pies (o más) de descenso por milla náutica y, por lo tanto, requiere algunas maniobras visuales de la aeronave. en las proximidades del aeropuerto después de completar la parte de la aproximación por instrumentos para alinear la aeronave con la pista para el aterrizaje.
Es muy común que se ejecute una maniobra de círculo para aterrizar durante una terrizaje aproximación directa a una pista diferente. De esta forma, los procedimientos de aproximación a una pista se pueden utilizar para aterrizar en cualquier pista del aeropuerto, ya que las otras pistas pueden carecer de procedimientos instrumentales o sus aproximaciones no se pueden utilizar por otros motivos (consideraciones de tráfico, ayudas a la navegación fuera de servicio, etc.
Dar vueltas para aterrizar se considera más difícil y menos seguro que un aterrizaje directo, especialmente en condiciones meteorológicas instrumentales porque la aeronave está a baja altitud y debe permanecer a corta distancia del aeropuerto para asegurarse de superar los obstáculos (a menudo dentro de un par de millas, incluso para aviones más rápidos). El piloto deberá mantener contacto visual con el aeropuerto en todo momento; la pérdida de contacto visual requiere la ejecución de un procedimiento de aproximación frustrada.
Los pilotos deben ser conscientes de que existen diferencias significativas en los criterios de franqueamiento de obstáculos entre los procedimientos diseñados de acuerdo con los PANS-OPS de la OACI y los TERPS de Estados Unidos. Esto es especialmente cierto con respecto a las aproximaciones en círculos donde el radio de giro supuesto y la franqueación mínima de obstáculos son marcadamente diferentes.[4]
Maniobra de paso lateral
Una maniobra visual realizada por un piloto al finalizar una aproximación por instrumentos para permitir un aterrizaje directo en una pista paralela a no más de 1,200 pies a cada lado de la pista a la que se realizó la aproximación por instrumentos.[5]
Fórmula de tasa de descenso
Una fórmula útil que utilizan los pilotos para calcular las tasas de descenso (para la senda de planeo estándar de 3°):
- Tasa de descenso = (velocidad terrestre⁄2) × 10
o
- Tasa de descenso = velocidad terrestre × 5
Para otros ángulos de senda de planeo:
- Tasa de descenso = ángulo de la senda de planeo × velocidad respecto al suelo × 100/60
La velocidad de descenso está en pies por minuto y la velocidad de avance está en nudos.
Este último reemplaza tan α (ver más abajo) con α/60, que tiene un error de aproximadamente 5% hasta 10°.
Ejemplo:
120 kn × 5 o 120 kn / 2 × 10 = 600 ft/min
Las fórmulas simplificadas anteriores se basan en un cálculo trigonométrico:
- Tasa de descenso = velocidad terrestre × 101.27 × tan α
Donde:
- α es el ángulo de descenso o senda de planeo desde la horizontal (3° es el estándar)
- 101.27 (ft/min⁄kn) es el factor de conversión de nudos a pies por minuto (1 nudo = 1 NM⁄h ≈ 6076 ft⁄h ≈ 101.27 ft/min)
ejemplo:
velocidad terrestre = 120 kn
α = 3°
120 kn × 101.27ft/min/kn × tan 3°
≈ 640 ft/min
Categorías
Dentro de las aproximaciones instrumentales se diferencian dos tipos: las de precisión y las de no precisión. Las aproximaciones instrumentales de precisión se guían mediante información tanto lateral (transmitida por el localizador) y vertical (transmitida por la senda de planeo).[6] Las aproximaciones de no precisión en cambio tan solo ofrecen información lateral sobre el curso que sigue la aeronave.[6]
Hay tres categorías de procedimientos de aproximación por instrumentos: aproximación de precisión (PA), aproximación con guía vertical (APV) y aproximación sin precisión (NPA). Una aproximación de precisión utiliza un sistema de navegación que proporciona orientación sobre el rumbo y la trayectoria de planeo. Los ejemplos incluyen radar de aproximación de precisión (PAR), sistema de aterrizaje por instrumentos (ILS) y sistema de aterrizaje GBAS (GLS). Una aproximación con guía vertical también utiliza un sistema de navegación para el rumbo y la desviación de la trayectoria de planeo, pero no con los mismos estándares que un PA. Los ejemplos incluyen baro-VNAV , ayuda direccional tipo localizador (LDA) con trayectoria de planeo, LNAV/VNAV y LPV. Una aproximación que no es de precisión utiliza un sistema de navegación para desviarse del rumbo, pero no proporciona información de la trayectoria de planeo. Estos enfoques incluyen VOR , NDB , LP (Localizer Performance) y LNAV. Los PA y APV se vuelan a una altura/altitud de decisión (DH/DA), mientras que las aproximaciones que no son de precisión se vuelan a una altitud mínima de descenso (MDA).[7]
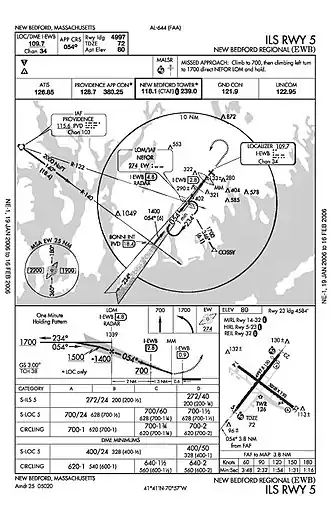
Las cartas IAP son cartas aeronáuticas que representan los datos aeronáuticos que se requieren para ejecutar una aproximación por instrumentos a un aeropuerto. Además de representar características topográficas, peligros y obstrucciones, representan los procedimientos y el diagrama del aeropuerto. Cada carta de procedimiento utiliza un tipo específico de sistema de navegación electrónico, como NDB, TACAN, VOR, ILS/MLS y RVB. El nombre de la carta refleja la ayuda principal a la navegación (NAVAID), si hay más de un procedimiento directo o si se trata simplemente de un procedimiento circular. Una franja de comunicación en el gráfico enumera las frecuencias en el orden en que se utilizan. Se muestran las altitudes mínima, máxima y obligatoria, además de la altitud mínima segura (MSA) para emergencias. Una cruz representa la altitud del punto de referencia de aproximación final (FAF) en las NPA, mientras que un rayo hace lo mismo con las PA. Los NPA representan el MDA, mientras que un PA muestra tanto la altitud de decisión (DA) como la altura de decisión (DH). Finalmente, el gráfico muestra los procedimientos de aproximación frustrada en planta y perfil, además de enumerar los pasos en secuencia.[8]
Antes de que la navegación por satélite (GNSS) estuviera disponible para la aviación civil, la necesidad de grandes instalaciones de ayuda a la navegación terrestre (NAVAID) generalmente limitaba el uso de aproximaciones por instrumentos a pistas terrestres (es decir, asfalto, grava, césped, hielo) (y otras en portaaviones). La tecnología GNSS permite, al menos teóricamente, crear aproximaciones instrumentales a cualquier punto de la superficie terrestre (ya sea terrestre o acuática); en consecuencia, hoy en día existen ejemplos de aeródromos acuáticos (como la base de hidroaviones del lago Rangeley en Maine, Estados Unidos) que cuentan con aproximaciones basadas en GNSS.
Tipos de aproximaciónes
Aunque todavía existen enfoques NAVAID terrestres, la FAA está haciendo la transición a aproximacióndes basados en satélites (RNAV). Además, en lugar del procedimiento de aproximación publicado, un vuelo puede continuar como un vuelo IFR hasta el aterrizaje mientras se aumenta la eficiencia de la llegada, ya sea con una aproximación visual o brusco.
Aproximación visual
Una aproximación visual es una autorización ATC para la aeronave en un plan de vuelo IFR y que se dirija visualmente al aeropuerto de aterrizaje previsto; no es un procedimiento de aproximación por instrumentos.[9]
El piloto puede solicitar una aproximación visual u ofrecerla el ATC. Las aproximaciones visuales son posibles cuando las condiciones climáticas permiten un visualizar el aeropuerto de destino. Se emiten en tales condiciones climáticas para acelerar el manejo del tráfico IFR. Se debe informar o esperar que el descenso sea de al menos 1000 pies AGL (sobre el nivel del suelo) y la visibilidad sea de al menos 3 SM (millas terrestres).
Un piloto puede aceptar una autorización de aproximación visual tan pronto como tenga a la vista el aeropuerto de destino. Según el Doc. de la OACI. 4444, basta que un piloto vea el terreno para aceptar una aproximación visual. La cuestión es que si un piloto está familiarizado con el terreno en las proximidades del aeródromo, podrá encontrar fácilmente el camino al aeropuerto teniendo la superficie a la vista. El ATC debe garantizar que las condiciones climáticas en el aeropuerto estén por encima de ciertos mínimos (en Estados Unidos, un descenso de 1000 pies AGL o más y una visibilidad de al menos 3 millas terrestres) antes de emitir la autorización. Según el Doc. de la OACI. 4444, bastará con que el piloto informe que a su juicio las condiciones meteorológicas permiten realizar una aproximación visual. En general, el ATC da la información sobre el tiempo pero es el piloto quien toma la decisión si el tiempo es adecuado para el aterrizaje. Una vez que el piloto ha aceptado la autorización, asume la responsabilidad de la separación y de evitar la estela turbulenta y puede navegar según sea necesario para completar la aproximación visualmente. Según el Doc. de la OACI. 4444, ATC continúa proporcionando separación entre las aeronaves que realizan una aproximación visual y otras aeronaves que llegan y salen. El piloto podrá hacerse responsable de la separación con la aeronave precedente en caso de que tenga a la aeronave precedente a la vista y así se lo indique el ATC. En Estados Unidos, se requiere que una aeronave tenga a la vista el aeropuerto, la pista o la aeronave precedente. él/ella asume la responsabilidad de la separación y de evitar la estela turbulenta y puede navegar según sea necesario para completar la aproximación visualmente. Según el Doc. de la OACI. 4444, ATC continúa proporcionando separación entre las aeronaves que realizan una aproximación visual y otras aeronaves que llegan y salen. El piloto podrá hacerse responsable de la separación con la aeronave precedente en caso de que tenga a la aeronave precedente a la vista y así se lo indique el ATC. En Estados Unidos, se requiere que una aeronave tenga a la vista el aeropuerto, la pista o la aeronave precedente. él/ella asume la responsabilidad de la separación y de evitar la estela turbulenta y puede navegar según sea necesario para completar la aproximación visualmente. Según el Doc. de la OACI. 4444, ATC continúa proporcionando separación entre las aeronaves que realizan una aproximación visual y otras aeronaves que llegan y salen. El piloto podrá hacerse responsable de la separación con la aeronave precedente en caso de que tenga a la aeronave precedente a la vista y así se lo indique el ATC. En Estados Unidos, se requiere que una aeronave tenga a la vista el aeropuerto, la pista o la aeronave precedente. El piloto podrá hacerse responsable de la separación con la aeronave precedente en caso de que tenga a la aeronave precedente a la vista y así se lo indique el ATC. En Estados Unidos, se requiere que una aeronave tenga a la vista el aeropuerto, la pista o la aeronave precedente. El piloto podrá hacerse responsable de la separación con la aeronave precedente en caso de que tenga a la aeronave precedente a la vista y así se lo indique el ATC. En Estados Unidos, se requiere que una aeronave tenga a la vista el aeropuerto, la pista o la aeronave precedente. No basta con tener el terreno a la vista.[10]
Cuando un piloto acepta una aproximación visual, acepta la responsabilidad de establecer un intervalo de aterrizaje seguro detrás de la aeronave precedente, así como la responsabilidad de evitar la estela turbulenta y permanecer fuera del alcance de nubes de tormenta.
Aproximación de contacto
Una aproximación de contacto que puede ser solicitada por el piloto (pero no ofrecida por el ATC) en la que el piloto tiene una visibilidad de vuelo de 1 SM y está libre de nubes y se espera que pueda mantener esas condiciones durante todo el camino hasta el aeropuerto. La franqueación de obstáculos y la evitación del tráfico VFR pasan a ser responsabilidad del piloto.
Procedimientos de vuelo visual trazados (CVFP)
Una aproximación visual que tiene una ruta específica donde la aeronave debe seguir hasta el aeropuerto. Los pilotos deben tener un punto de referencia visual en el mapa o una aeronave precedente a la vista, y el clima debe ser igual o superior a los mínimos publicados. Los pilotos son responsables de mantener un intervalo de aproximación seguro y una separación por estela turbulenta.
Aproximación RNP (anteriormente Aproximación RNAV)
Estas aproximaciones incluyen sistemas tanto terrestres como satelitales e incluyen criterios para Areas de Llegada Terminal (en inglés Terminal Arrival Areas) (TAA), criterios de aproximación básicos y criterios de aproximación final. El TAA es una transición de la estructura en ruta al entorno terminal que proporciona altitudes mínimas para el franqueamiento de obstáculos. El TAA es un diseño en "T" o "T básica" con IAF de tramo de base izquierdo y derecho en segmentos de aproximación inicial perpendiculares al segmento de aproximación intermedia donde hay un IF/IAF de doble propósito para un procedimiento directo (sin giro de procedimiento (NoPT)), o inversión de curso de espera en lugar de turno de procedimiento (HILPT). El tramo base IAF está a 3 a 6 NM del IF/IAF. La T básica está alineada con el eje de la pista, con el IF a 5 NM del FAF, y el FAF está a 5 NM del umbral.
La carta de aproximación RNP debe tener cuatro líneas de mínimos en aproximación correspondientes a LPV, LNAV/VNAV, LNAV y circuito. Esto permite que las aeronaves equipadas con GPS o WAAS utilicen el LNAV MDA usando solo GPS, si WAAS deja de estar disponible.[11]: 4–26
Aproximación ILS
Estas son las aproximacióndes ILS más precisas y exactas. Una pista con ILS tiene capacidad para 29 aterrizajes por hora; los sistemas ILS en dos o tres pistas aumentan la capacidad con ILS paralelo (dependiente), y ILS paralelo simultáneo (independiente), monitor de pista de precisión (PRM) y aproximación ILS convergentes. Las aproximaciónes ILS tienen tres clasificaciones, CAT I, CAT II y CAT III. CAT I SA, CAT II y CAT III estos requieren una certificación adicional para operadores, pilotos, aeronaves y equipos, mientras que CAT III es utilizado principalmente por compañías aéreas y militares. Las aproximaciones paralelas simultáneas requieren que los ejes de las pistas estén separados por entre 4.300 y 9.000 pies, además de un "controlador final dedicado" para monitorear la separación de las aeronaves. Las aproximaciones PRM simultáneas, muy paralelas (independientes) deben tener una separación de pistas de entre 3400 y 4300 pies. Las aproximaciones por instrumentos con compensación simultánea (SOIA) se aplican a pistas separadas entre 750 y 3000 pies. Un SOIA utiliza un ILS/PRM en una pista y un LDA/PRM con senda de planeo para la otra.
Aproximación VOR
Estas aproximaciones utilizan instalaciones VOR dentro y fuera del aeropuerto y pueden complementarse con DME y TACAN.
Aproximación BND
Estas aproximaciones utilizan instalaciones NDB dentro y fuera del aeropuerto y pueden complementarse con un DME. Estas aproximaciones se están eliminando gradualmente en los países occidentales.
Aproximación por radar
Esta será una aproximación por radar de aproximación de precisión (PAR) o por radar de vigilancia aeroportuaria (ASR). La información se publica en forma de tabla. El PAR proporciona guía vertical y lateral más alcance. El ASR sólo propa

Aproximación por radar aerotransportado
Este es un tipo poco común de aproximación, en la que se utiliza un radar instalado en la aeronave que se aproxima como medio principal de navegación para la aproximación. Se utiliza principalmente en plataformas petrolíferas marinas y bases militares seleccionadas.[12] Este tipo de aproximación aprovecha la pista o, más comúnmente, la plataforma petrolera, destacándose de su entorno circundante cuando se ve en un radar.[13] Para obtener visibilidad adicional en un radar, se pueden instalar reflectores de radar a lo largo de la pista.[14]
Aproximación de localizador
Estas aproximaciones incluyen una aproximación de localizador, una aproximación de localizador/DME, una aproximación de rumbo posterior del localizador y una ayuda direccional de tipo localizador (LDA). En los casos en los que se instala un ILS, es posible que haya disponible un curso posterior junto con el localizador. La detección inversa se produce en el curso posterior utilizando equipo VOR estándar. Con un sistema indicador de situación horizontal (HSI), la detección de retroceso se elimina si se configura adecuadamente en el rumbo delantero.
Aproximación de instalación direccional simplificada (SDF)
Este tipo de aproximación es similar al método del localizador ILS, pero con una guía menos precisa.
Segmentos de procedimientos en aproximación por instrumentos
Un procedimiento de aproximación por instrumentos puede contener hasta cinco segmentos separados, que representan el rumbo, la distancia y la altitud mínima. Estos segmentos son:
- Rutas alimentadoras: Una ruta para que las aeronaves avancen desde la estructura en ruta hasta la IAF , que incluye el rumbo y rumbo a volar, la distancia y la altitud mínima.
- Tramo de aproximación inicial: Este segmento proporciona un método para alinear la aeronave con el segmento de aproximación intermedia o final y permitir el descenso durante la alineación. Comienza en un IAF y termina en el segmento de aproximación intermedio o punto de referencia intermedio (IF). Puede estar involucrado un arco DME , un giro de procedimiento/giro en forma de lágrima o un patrón de espera o la ruta terminal puede simplemente cruzarse con el rumbo de aproximación final.
- Tramo de aproximación intermedia: Este tramo posiciona la aeronave para el descenso final al aeropuerto. Comienza en el IF y termina en el tramo de aproximación final.
- Tramo de aproximación final: para un PA o APV, este segmento comienza donde la senda de planeo intercepta el plano de altitud de la senda de planeo-intercepción. Para un NPA, este segmento comienza en el FAF, punto de aproximación final (FAP), o donde la aeronave está establecida en el rumbo de aproximación final. Este segmento termina en el punto de aproximación frustrada (MAP) designado o al aterrizar.
- Tramo de aproximación frustrada: este segmento comienza en el MAP y termina en un punto o punto de referencia donde comienza el segmento inicial o en ruta.
Cuando una aeronave está bajo control de radar, el control de tráfico aéreo (ATC) puede reemplazar algunas o todas estas fases de la aproximación con vectores de radar (la vectorización de radar de la OACI es la provisión de guía de navegación a las aeronaves en forma de rumbos específicos, basados en el uso del radar). El ATC utilizará una "puerta de aproximación" imaginaria que oriente a la aeronave hacia el rumbo de aproximación final. Esta puerta estará a 1 milla náutica (NM) del FAF y al menos a 5 NM del umbral de aterrizaje. Fuera de los entornos de radar, la aproximación por instrumentos comienza en la IAF.
Aproximación y sistemas que no son de precisión

Los sistemas que no son de precisión proporcionan una guía lateral (es decir, información de rumbo), pero no proporcionan una guía vertical (es decir, guía de altitud y/o trayectoria de planeo).
- Rango omnidireccional VHF (VOR)
- Navegación aérea táctica (TACAN)
- Baliza no direccional (NDB): transmisor terrestre para aeronaves equipadas con un buscador de dirección automático (ADF).
- Instalación direccional simplificada (SDF)
- Sistemas de navegación por satélite, como el Sistema de Posicionamiento Global (GPS) estadounidense. Las aproximaciónes LNAV y LNAV/VNAV requieren un monitoreo de integridad autónomo del receptor (RAIM) que detecta problemas con los satélites GPS. LPV (rendimiento del localizador con guía vertical) y LP (sin guía vertical) no requieren RAIM ya que utilizan señales de corrección SBAS como el Sistema de aumento de área amplia (WAAS) o el Servicio europeo de navegación geoestacionaria superpuesta (EGNOS).
- Rendimiento de navegación requerido (RNP): un sistema que utiliza el monitoreo del rendimiento a bordo a través del sistema de gestión de vuelo de la aeronave.
- Ayuda direccional tipo localizador (LDA)
- Aproximación por radar de vigilancia (SRA): también conocida en algunos países como aproximación ASR
- Radar de vigilancia aeroportuaria (ASR): designación militar para SRA
- Aproximación VDF: en la actualidad es poco común, pero se basa en que el controlador de tráfico aéreo determina la dirección de llegada de la transmisión de radio VHF de un avión y guía al piloto basándose en esta información. También puede existir en forma de carta en la que la navegación VDF guiada por el controlador se combina con la navegación a estima por parte del piloto.[15]
Aproximaciones y sistemas de precisión
Los sistemas de aproximación de precisión proporcionan guía tanto lateral (rumbo) como vertical (ruta de planeo).
- Aproximación controlada desde tierra (GCA).
- Sistema de aterrizaje GBAS (GLS).
- Sistema de aterrizaje por instrumentos (ILS).
- Sistema conjunto de aproximación y aterrizaje de precisión (JPALS).
- Sistema de aterrizaje por microondas (MLS).
- Radar de aproximación de precisión (PAR).
- Sistema de aterrizaje con transpondedor (TLS).
Requisitos del aeropuerto
Las consideraciones especiales para operaciones de baja visibilidad incluyen una iluminación mejorada para el área de aproximación, pistas y calles de rodaje, y la ubicación de los equipos de emergencia. Debe haber sistemas eléctricos redundantes para que, en caso de un corte de energía, el respaldo se haga cargo de la operación de la instrumentación requerida del aeropuerto (por ejemplo, el ILS y la iluminación). Las áreas críticas del ILS deben estar libres de otras aeronaves y vehículos para evitar rutas múltiples .
En los Estados Unidos, los requisitos y las normas para establecer aproximaciones por instrumentos en un aeropuerto están contenidos en la Orden FAA 8260.3 "Estándar de Estados Unidos para procedimientos terminales por instrumentos (TERPS)"[16] La OACI publica requisitos en el Doc 8168 de la OACI "Procedimientos para servicios de navegación aérea - Operaciones de aeronaves (PANS-OPS), Volumen II: Construcción de procedimientos de vuelo visuales y por instrumentos."[17]
Los aeropuertos de montaña como el Aeropuerto Internacional Reno-Tahoe (KRNO) ofrecen aproximaciones por instrumentos significativamente diferentes para los aviones que aterrizan en la misma pista, pero desde direcciones opuestas. Las aeronaves que se acercan desde el norte deben hacer contacto visual con el aeropuerto a una altitud mayor que un vuelo que se acerca desde el sur, debido al rápido ascenso del terreno al sur del aeropuerto.[18] Esta mayor altitud permite a la tripulación de vuelo superar el obstáculo si un aterrizaje no es factible. En general, cada aproximación por instrumentos específica, especifica las condiciones climáticas mínimas que deben presentarse para que se pueda realizar el aterrizaje.
Recursos de audio y multimedia.
- Audio and commentary of a full-procedure RNAV (GPS) approach into Flint Bishop International Airport (KFNT)
- Audio of a US instrument rating checkride – Part 1 (including RNAV 18 at KFNT)
- Audio of a US instrument rating checkride – Part 2 (including VOR 9 at KFNT partial panel and the ILS 9R at KPTK)
Otras lecturas
- Instrument Procedures Handbook. FAA. 2017. Consultado el 19 de febrero de 2019.
- «Constant-angle Nonprecision Approach». Flight Safety Foundation. August–November 2000. Consultado el 6 de mayo de 2013.
- «Electronic Code of Federal Regulations (US)». Consultado el 6 de mayo de 2013.
- «Precision Runway Monitor (PRM) Training». FAA. 19 de marzo de 2013. Consultado el 6 de mayo de 2013.
Véase también
Referencias
- ↑ a b García de la Cuesta, Juan (2003). Terminología aeronáutica. Ediciones Díaz de Santos. ISBN 84-7978-579-9.
- ↑ «Instrument Approach Procedure». Pilot/Controller Glossary (P/CG). Federal Aviation Administration. 26 de agosto de 2010. Archivado desde el original el 21 de enero de 2011. Consultado el 25 de noviembre de 2010.
- ↑ Instrument Flying Handbook. FAA. 2012. p. G-12. Consultado el 6 de mayo de 2013.
- ↑ Circling Approach – difference between ICAO PANS-OPS and US TERPS, SKYbrary
- ↑ Balter, J. Deborah (1 de enero de 2004). Aeronautical Dictionary: With Emphasis on ATC Communications Terms. Trafford Publishing. p. 217. ISBN 9781412008655.
- ↑ a b Federal Aviation Administration, ed. (11 de febrero de 2010). «Contact Approach». Aeronautical Information Manual. Washington, D.C.: U.S. Department of Transportation. pp. 5-4-24. Archivado desde el original el 28 de mayo de 2010. Consultado el 25 de noviembre de 2010.
- ↑ «Satellite Navigation - NAS Implementation NAS Implementation - Procedures - Localizer Performance (LP)». FAA. US Department of Transportation. Consultado el 7 de noviembre de 2022.
- ↑ Instrument Procedures Handbook, FAA-H-8083-16A. Federal Aviation Administration. 2015.
- ↑ «Archived copy». Archivado desde el original el 8 de diciembre de 2014. Consultado el 2 de marzo de 2015.
- ↑ «Archived copy». Archivado desde el original el 3 de marzo de 2015. Consultado el 2 de marzo de 2015.
- ↑ Instrument Procedures Handbook, FAA-H-8083-16B. Federal Aviation Administration. 2017.
- ↑ Advisory Circular 90-80C, Federal Aviation Administration, 21 de diciembre de 2017, consultado el 1 de septiembre de 2021.
- ↑ Rowe, Philip A. (9 de septiembre de 1996). «Airborne Radar Approaches». AVweb (en inglés estadounidense). Consultado el 1 de septiembre de 2021.
- ↑ NATO Standard AATCP-1 - NATO Supplement to ICAO Doc 8168-OPS/611 Volume II for the Preparation of Instrument Approach and Departure Procedure (en inglés) (E edición). NATO Standardization Office. June 2017. pp. 60-63. Archivado desde el original el 28 de octubre de 2022. Consultado el 28 de octubre de 2022.
- ↑ «Warsaw Okęcie Airport - Historical approach charts». konbriefing.com (en inglés). Consultado el 13 de septiembre de 2022.
- ↑ «Order 8260.3C "United States Standard for Terminal Instrument Procedures (TERPS)"». FAA. 14 de marzo de 2016. Consultado el 4 de diciembre de 2017.
- ↑ Procedures for Air Navigation Services – Aircraft Operations (PANS-OPS), Volume II: Construction of Visual and Instrument Flight Procedures (5th edición). ICAO. 2006. Archivado desde el original el 19 de mayo de 2016. Consultado el 27 de enero de 2013.
- ↑ Consulte las placas de aproximación para las aproximaciones "LOC RWY 16R", "ILS RWY 16R" e "ILS o LOC/DME RWY 34L" en KRNO.