Amplificador de doble sintonía
Un amplificador de doble sintonía es un amplificador sintonizado con acoplamiento de transformador entre las etapas del amplificador en el que las inductancias de los devanados primario y secundario se sintonizan por separado con un condensador a través de cada uno. Con este sistema se consigue un ancho de banda más amplio y faldas más pronunciadas que con un circuito sintonizado simple.
Existe un valor crítico del coeficiente de acoplamiento del transformador en el que la respuesta en frecuencia del amplificador es plana al máximo en la banda de paso y la ganancia es máxima en la frecuencia de resonancia. Los diseños suelen utilizar un acoplamiento superior a este valor (sobreacoplamiento) para conseguir un ancho de banda aún mayor a costa de una pequeña pérdida de ganancia en el centro de la banda pasante.
La conexión en cascada de varias etapas de amplificadores de doble sintonización reduce el ancho de banda del amplificador global. Dos etapas de amplificador de doble sintonización tienen el 80% del ancho de banda de una sola etapa. Una alternativa a la sintonización doble que evita esta pérdida de ancho de banda es la sintonización escalonada. Los amplificadores con sintonización escalonada pueden diseñarse con un ancho de banda prescrito mayor que el ancho de banda de cualquier etapa individual. Sin embargo, la sintonización escalonada requiere más etapas y tiene menor ganancia que la sintonización doble.
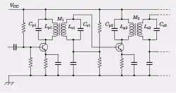
Circuito típico

El circuito mostrado consta de dos etapas de amplificación en topología de emisor común. Todas las resistencias de polarización cumplen sus funciones habituales. La entrada de la primera etapa se acopla de forma convencional con un condensador en serie para evitar afectar a la polarización. Sin embargo, la carga de colector consiste en un transformador que sirve de acoplamiento entre etapas en lugar de condensadores. Las bobinas del transformador tienen inductancia. Los condensadores colocados a través de las bobinas del transformador forman circuitos resonantes que proporcionan la sintonización del amplificador.
Otro detalle que puede observarse en este tipo de amplificador es la presencia de derivaciones en los devanados del transformador. Éstas se utilizan para las conexiones de entrada y salida del transformador en lugar de la parte superior de los devanados. Los amplificadores de transistor de unión bipolar (el tipo mostrado en el circuito) tienen una impedancia de salida bastante alta y una impedancia de entrada bastante baja. Este problema puede evitarse utilizando MOSFETs que tienen una impedancia de entrada muy alta.[1]
Los condensadores conectados entre la parte inferior de los devanados secundarios del transformador y tierra no forman parte de la sintonización. Su función es desacoplar las resistencias de polarización de los transistores del circuito de corriente alterna.
Propiedades
La sintonización doble, en comparación con la sintonización simple, tiene el efecto de ampliar el ancho de banda del amplificador y de aumentar la pendiente de la respuesta.[2]Al sintonizar ambos lados del transformador se forma un par de resonadores acoplados que son la fuente del aumento del ancho de banda. La ganancia del amplificador es función del coeficiente de acoplamiento, k, que está relacionado con la inductancia mutua, M, y las inductancias de los devanados primario y secundario, Lp y Ls respectivamente, mediante MExiste un valor crítico de acoplamiento en el que la ganancia del amplificador es máxima en resonancia. Por debajo de este valor crítico, hay un único pico en la respuesta en frecuencia, con la amplitud alcanzando el máximo en resonancia y el pico disminuyendo a medida que k disminuye. A valores de k superiores al acoplamiento crítico, la respuesta empieza a dividirse en dos picos. Estos picos se estrechan y se separan a medida que aumenta k, y el espacio entre ellos (centrado en la frecuencia de resonancia) se hace progresivamente más profundo. Se dice que una respuesta de este tipo está sobreacoplada.[3]
Un amplificador acoplado críticamente tiene una respuesta que es plana al máximo. Esta respuesta también se puede conseguir sin transformadores con dos etapas de un amplificador de sintonía escalonada. A diferencia de la sintonización escalonada, la sintonización doble suele sintonizar ambos resonadores a la misma frecuencia de resonancia.[4]Sin embargo, un diseñador puede optar por diseñar un amplificador sobreacoplado para conseguir un ancho de banda más amplio a expensas de una pequeña caída (normalmente de 3 dB para maximizar el ancho de banda de 3 dB) en el centro de la respuesta en frecuencia.[5]
Al igual que la sintonización sincrónica, la adición de más etapas de amplificadores de doble sintonización tiene el efecto de reducir el ancho de banda. El ancho de banda de 3 dB de n etapas idénticas, como fracción del ancho de banda de una sola etapa, viene dado aproximadamente por,
Esta expresión sólo se aplica a anchos de banda fraccionarios pequeños.[6]
Análisis
El circuito puede representarse de forma más genérica sustituyendo los amplificadores por un amplificador de transconductancia generalizado, tal como se muestra.

donde (omitiendo los sufijos del número de etapa),
gm es la transconductancia de los amplificadores
Go es la conductancia de salida de los amplificadores
Gi es la conductancia de entrada de los amplificadores.
Típicamente, un diseño hará que las frecuencias resonantes y Qs en los lados primario y secundario sean idénticos, de tal manera que,
Y
donde ω0 es la frecuencia de resonancia expresada en unidades de frecuencia angular y los subíndices p y s se refieren respectivamente a componentes en el lado primario y secundario del transformador.
Ganancia de etapa

Con las suposiciones anteriores, la ganancia de tensión, A de una etapa del amplificador puede expresarse como
donde 𝑖 es la unidad imaginaria ( 𝑖2≡-1),
es la ganancia máxima que puede proporcionar la etapa, y
es la frecuencia expresada como desviación fraccional de la frecuencia de resonancia.
Frecuencia de pico
Con un acoplamiento inferior al crítico, hay un pico en la respuesta que se produce en la resonancia. Por encima del acoplamiento crítico, hay dos picos a frecuencias dadas por
donde δL y δH son respectivamente las frecuencias bajas y altas de los picos expresadas como desviación fraccional.
Con acoplamiento crítico o superior, los picos alcanzan la ganancia máxima disponible del amplificador.
Acoplamiento crítico
El acoplamiento crítico se produce cuando los dos picos coinciden. Es decir, cuando
O
[7]
Referencias
- ↑ Bhargava et al., pp. 382–383
- ↑ Gulati, p. 432
- ↑ Bakshi & Godse, p. 5.25 Chattopadhyay, p. 195-196
- ↑ Chattopadhyay, p. 196
- ↑ Bakshi & Godse, p. 5.26
- ↑ Bakshi & Godse, p. 5.29
- ↑ Bakshi & Godse, pp. 5.20–5.26 (para toda la sección de análisis)
Bibliografía
- Bakshi, Uday A.; Godse, Atul P., Electronic Circuit Analysis, Technical Publications, 2009 ISBN 8184310471.
- Bhargava, N. N.; Gupta, S. C.; Kulshreshtha D. C., Basic Electronics and Linear Circuits, Tata McGraw-Hill, 1984 ISBN 0074519654.
- Chattopadhyay, D., Electronics: Fundamentals and Applications, New Age International, 2006 ISBN 8122417809.
- Gulati, R. R., Monochrome and Colour Television, New Age International, 2007 ISBN 8122416071.