7 mm Remington Magnum
| 7mm Remington Magnum | ||||||||||||||||||||||||||
|---|---|---|---|---|---|---|---|---|---|---|---|---|---|---|---|---|---|---|---|---|---|---|---|---|---|---|
|
| ||||||||||||||||||||||||||
| Tipo | Rifle | |||||||||||||||||||||||||
| País de origen | Estados Unidos | |||||||||||||||||||||||||
| Historia de producción | ||||||||||||||||||||||||||
| Diseñador | Remington Arms | |||||||||||||||||||||||||
| Diseñada | 1962 | |||||||||||||||||||||||||
| Fabricante | Remington | |||||||||||||||||||||||||
| Producción | 1962–Presente | |||||||||||||||||||||||||
| Especificaciones | ||||||||||||||||||||||||||
| Basada en | .300 Holland & Holland Magnum | |||||||||||||||||||||||||
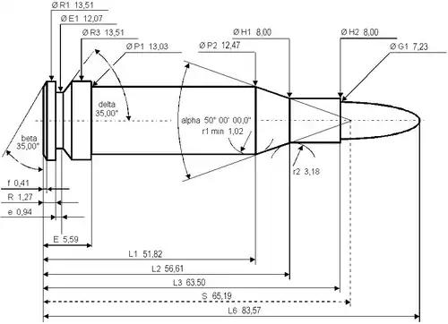
| Calibre | 0,284 mm (0,011 plg) | |||||||||||||||||||||||||
| Diámetro de cuello | 0,315 mm (0,012 plg) | |||||||||||||||||||||||||
| Diámetro de vaina | 0,491 mm (0,019 plg) | |||||||||||||||||||||||||
| Diámetro de base | 0,512 mm (0,02 plg) | |||||||||||||||||||||||||
| Diámetro del rim | 0,532 mm (0,021 plg) | |||||||||||||||||||||||||
| Longitud de vaina | 2,5 mm (0,098 plg) | |||||||||||||||||||||||||
| Longitud total | 3,29 mm (0,13 plg) | |||||||||||||||||||||||||
| Volumen de vaina | 82.0 | |||||||||||||||||||||||||
| Presión máxima | 62366 | |||||||||||||||||||||||||
| Usada en | Large rifle magnum | |||||||||||||||||||||||||
| Rendimiento balístico | ||||||||||||||||||||||||||
| ||||||||||||||||||||||||||
|
Fuente: Accurate Powder[1] | ||||||||||||||||||||||||||
El 7mm Remington Magnum es un cartucho de fuego central para rifle introducido comercialmente en 1962, en conjunto con el rifle de Cerrojo Remington 700.[2] Es un miembro de la familia de los belted magnum diseñados a partir del casquillo del .300 Holland & Holland Magnum, que a su vez partió del .375 Holland & Holland Magnum.[3]
Historia
El 7mm Remington Magnum siguió la misma línea del .264 Winchester Magnum, .338 Winchester Magnum, y .458 Winchester Magnum, desarrollados también en base al casquillo belted magnum del .300 H&H Magnum, pero de longitud reducida, similar a las longitudes de los mecanismos estándar que alojan al 25-06 Remington, 270 Winchester, .30-06 Springfield .270 Weatherby Magnum o al 7mm Weatherby Magnum.[4]
La introducción del 7mm Remington Magnum al mercado contribuyó en gran medida a la reducción en las ventas del .264 Winchester Magnum, que lo hizo prácticamente desaparecer del mercado por décadas, hasta la segunda década del siglo 21, en la que recobró cierta popularidad indirectamente gracias al 6.5 Creedmoor.
Un año después del lanzamiento del 7mm Rem Mag, Winchester Repeating Arms Co. lanzó el 300 Winchester Magnum como competencia directa,[5] volviéndose ambos cartuchos los magnum más populares en sus calibres respectivos hasta hoy en día.
Diseño
La creación del 7mm Remington Magnum se debe en gran parte a Les Bowman, guía de caza y editor de revistas del tema, quien se dio cuenta de la necesidad de sus clientes por un cartucho que les permita cazar animales de la talla de un wapiti a distancias considerables pero que tuviera un retroceso manejable, ya que el .300 Weatherby Magnum, debido al retroceso abrupto que genera, resultaba les resultaba difícil de disparar con suficiente precisión, mientras que el .270 Winchester cargado con los proyectiles disponibles entonces, carecían de la energía suficiente para abatir a las presas a las distancias largas que se presentaban generalmente. Si bien encontró en el .275 Holland & Holland Magnum, una opción adecuada, esta munición era prácticamente imposible de conseguir en los Estados Unidos.[6]
El 7mm Remington Magnum es balísticamente superior.30-06 Springfield con todos los pesos de bala disponibles debido a la mayor capacidad de carga de pólvora del casquillo y a un coeficiente balístico superior de los proyectiles de .284 pulgadas de diámetro con respecto al de los calibre .308 cuando se comparan pesos similares.
Una de las cargas más populares es el proyectil spitzer de 160 granos, que logra una velocidad inicial de 3,000 pies/s (910 m/s) de la boca del cañón.
El diámetro de bala más pequeño del calibre.284 también le confiere una mayor mayor densidad seccional que los proyectiles de .308 de diámetro del mismo peso, traduciéndose en una mejor penetración si se comparan proyectiles del mismo peso e impactando a la misma velocidad.[7] El proyectil más pesado que se carga comercialmente para el 7mm rem mag es de 195 granos [la cita necesitada], mientras el .30-06 Springfield puede ser cargado con balas hasta 220 granos. Sin embargo, este último al tener un casquillo de menor capacidad no podrá alcanzar la trayectoria y energía del 7mm Remington Magnum, cuyas prestaciones se acercan más a las del 300 Winchester Magnum.
Popularidad
El .7mm Remington Magnum goza de una alta popularidad entre cazadores deportivos, compartiendo con el .300 Winchester Magnum la mayor popularidad entre cartuchos con el sufijo "magnum" comerciales, encontrándose entre las opciones más vendidas para fines cinegético a nivel mundial.
Dimensiones de cartucho
El 7mm Remington Magnum tiene 5.31 ml (82 granos) H2O capacidad de caso del cartucho.
Uso deportivo

Debido a su trayectoria plana y a un retroceso relativamente tolerable, además del alto coeficiente balístico de los proyectiles calibre .7mm en general; el 7mm Remington Magnum es especialmente popular para caza mayor, principalmente en montañas, pampas y llanuras donde los tiros largos son la norma y es necesario un proyectil capaz de sortear el viento eficientemente.
El .7mm Rem Mag es un cartucho excelente para la caza mayor de todo tipo, con excepción de los mamíferos grandes del África y el sureste asiático.
Para animales de la talla de cabras, muflones y cérvidos de tamaño mediano y grande como el venado de cola blanca, el ciervo mulo, el wapiti, caribú y alces, además de antílopes de todo tamaño, el 7mm Rem Mag resulta ideal. Incluso con proyectiles de construcción adecuada, puede ser usado para cazar animales más pesados.
Si bien el 7mm Remington Magnum es un calibre netamente de caza, este también ha sido usado en rifles de francotirador como el Servicio Secreto Contra Francotiradores, que lo ha usado en zonas urbanas desplegado junto con el .300 Winchester Magnum.[8] Chuck Hawks llama el 7mm Remington "uno de los grandes cartuchos de rifle de todo terreno."[9]
Cartuchos alternativos
18 años antes de la introducción del 7mm Remington Magnum al mercado, el 7mm Weatherby Magnum, desarrollado por Roy Weatherby, también diseñado a partir del casquillo del .300 Holland & Holland Magnum reducido para ser alojado en cajones de mecanismo de longitud estándar, el cual es balísticamente superior al 7mm Rem Mag. Sin embargo, este cartucho nunca logró la popularidad del 7mm Rem Mag, el que se ha logrado posicionar como uno de los cartuchos de caza mayor más populares en el mundo.
El 7mm Winchester Short Magnum, es un magnum corto que se introdujo en 2001, el cual tiene una balística casi idéntica a la del 7mm Remington Magnum. El casquillo del 7mm Winchester Short Magnum es considerablemente más corto y más gordo y tiene un ángulo de hombro más empinado, además de un cuello más corto (6.17 mm) que el 7mm Remington Magnum (6.89 mm de largo), que es menos adecuado para cargar proyectiles más largos. Sin embargo, el diseño del casquillo del 7mm Winchester Short Magnum promueve una deflagración más eficaz de la pólvora, permitiéndole despedir balas más ligeras y cortas a velocidades ligeramente más altas utilizando menos carga de pólvora que el 7mm Remington Magnum.
Otros cartuchos alternativos calibre 7mm (.284") incluyen al 7mm Shooting Times Westerner, que usa un casquillo de magnum largo, y por consiguiente un cajón de mecanismos más largos, que resulta en un aumento en la velocidad de salida del proyectil en unos 150 pies por segundo. Otro cartuchos similares al 7mm STW, son el 7mm Remington Ultra Magnum, y el 28 Nosler.
Remington también desarrolló el .280 Remington, antes conocido como 7mm Remington Express, el cual dispara proyectiles similares desde un casquillo similar al de un .30-06 Springfield, a velocidades ligeramente inferiores. Del .280 Remington P.O Ackley desarrolló el .280 Ackley Improved, que para el 2020 ha cobrado popualridad entre cazadores y tiradores. Por su parte Winchester lanzó el .284 Winchester al mercado, sin lograr tanto éxito. Recientemente Hornady ha lanzado el 7mm PRC, el cual diseñado para disparar proyectiles de mayor longitud y coeficiente balístico a velocidades similares al 7mm Rem Mag. Sin embargo, las ventajas del nuevo 7mm PRC resultan imperceptibles si son aplicadas con fines cinegéticos.
De esta familia de calibres 7mm o .284, el 7mm Remington Magnum continúa siendo el más popular.
Elección de proyectil y longitud de Cañón
La elección de longitud de cañón es crítica para obtener las mejores prestaciones del 7mm Remington Magnum, siendo óptimos los cañones de 26-pulgadas (660 mm), y un cañón de 24 pulgadas (610 mm ) vendría a ser el mínimo práctico, mientras que cañones deportivos de aproximadamente 22 pulgadas (559 mm ),empiezan a deteriorar la balística de este empatándola con la balística de un .270 Winchester, pero generando mayor retroceso y explosión en la boca del cañón en un rifle más pesado.[10][11]
Véase también
Referencias
- ↑ 7 mm Remington Magnum data from Accurate Powder"
- ↑ Accurate (2000). Accurate Smokeless Powders Loading Guide (Number Two (Revised) edición). Prescott, AZ: Wolfe Publishing. p. 247. Barcode 94794 00200.
- ↑ Boddington, Craig. «CLASSIC CARTRIDGE: 7MM REMINGTON MAGNUM».
- ↑ Speer Reloading Manual
- ↑ M. Towsley, Bryce (5 de diciembre de 2021). «The 7 mm Remington Magnum: History & Performance».
- ↑ «Remington's Big Seven».
- ↑ Olaechea, Eduardo (2018). «Densidad Seccional». Caza & Pesca Perú (20 edición) (Lima, Perú): 48.
- ↑ «7mm Remington Magnum». Sierra Reloading Manual. Consultado el 31 de agosto de 2017.
- ↑ The 7mm Remington Magnum by Chuck Hawks
- ↑ Spomer, Ron. «270 Winchester, 7mm Rem. Mag., & 300 Win. Mag. Performance Differences (Are they enough to Matter?)».
- ↑ R, Poole, Eric. «7mm Remington Magnum vs. .270 Winchester: Tested and Compared».