.400 Whelen
| .400 Whelen | ||
|---|---|---|
![]() | ||
| País de origen | Estados Unidos | |
| Historia de producción | ||
| Diseñador | Townsend Whelen | |
El .400 Whelen fue desarrollado por el coronel Townsend Whelen mientras era comandante del Arsenal de Frankford a principios de la década de 1920.[1] El diseño se basa en el casquillo del .30-06 Springfield modificado para alojar balas calibre .40 producidas para el para el .405 Winchester .
Diseño

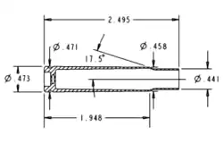
Townsend Whelen observó que una muy pequeña porción del ángulo del hombro del .30-06 podría causar peligros potenciales por dificultades en el headspace.[2] El tema del headspace ha sido ampliamente discutido y James Howe, armero oficial del Arsenal de Frankford, redujo el latón cilíndrico disponible en el proceso de fabricación para formar cartuchos con un 0,458 pulgadas (11,6 mm) hombro para adaptarse a la recámara de sus rifles. Los experimentos tuvieron menos éxito en la formación de cartuchos al agrandar los cuellos de los cartuchos .30-06 con 0,441 pulgadas (11,2 mm) (o más pequeños) hombros,[3] pero los casquillos se pudieron formar a partir de los casquillos .35 Whelen .[4]
Performance
Griffin & Howe manufacturó rifles a la medida calibre .400 Whelen; los cuales probaron ser sumamente efectivos para la caza mayor de animales grandes tales como los alces, y osos y wapiti a distancias que bordeaban las 400 yardas[2]
Referencias
- ↑ Donnelly, John J. (1987). The Handloader's Manual of Cartridge Conversions. Stoeger Publishing. p. 529. ISBN 978-0-88317-269-8.
- ↑ a b Sharpe, Philip B. Complete Guide To Handloading (1953) Funk & Wagnalls pp.206&398
- ↑ «Smashing the Headspace Myth». Michael Petrov. Archivado desde el original el 3 de diciembre de 2010. Consultado el 5 de agosto de 2010.
- ↑ Howell, Ken (1995). Designing and Forming Custom Cartridges. Precision Shooting. p. 326. ISBN 0-9643623-0-9.
