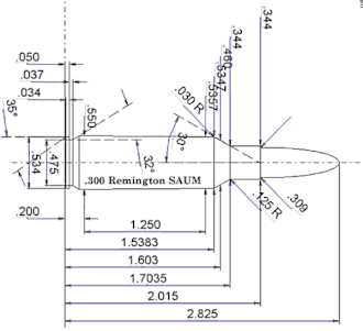
.300 Remington Short Action Ultra Magnum

.300 Remington Short Action Ultra Magnum o 300 RSAUM, 300 RSUM o 300 Rem SAUM; es un cartucho calibre .30 para mecanismo de cerrojo corto.
Diseño
Al igual que el Remington 300 Ultra Mag, que requiere de un cajón de mecanismos de acción magnum larga, deriva del casquillo del .404 Jeffery.
Historia
El Remington Short Ultra Mag se lanzó al mercado poco después de que Winchester lanzara el 300 WSM en el año 2001. Al igual que lo sucedido con el .243 Winchester y el .244 Remington, la anticipación de Winchester le dio predominancia en el mercado.[1]
Performance
Es balísticamente similar al 300 Winchester Magnum y al 300 Winchester Short Magnum, disparando proyectiles de 150 granos a aproximadamente 3,250 pies por segundo y proyectiles de 180 granos a 2,960 pies por segundo.
Uso deportivo
El .300 RSAUM es un cartucho apto para la caza mayor de animales de diferentes tallas y pesos. Compartiendo las mismas características del .300 WSM, al poder ser utilizado en un rifle con un cerrojo de acción corta, similares a los usados en el .308 Winchester, 6.5mm Creedmoor o .243 Winchester. Debido a la alta variabilidad de proyectiles de diferentes pesos y producciones que existen en calibre .30, puede ser una opción muy versátil para la caza de diferentes especies y en diferentes condiciones. Sin embargo; debido a la limitada disponibilidad de munición comercial, esta versatilidad se limita a quien recarga.
Comparaciones
- El .300 WSM tiene un poco más de capacidad de carga y, por lo tanto, un poco más de velocidad
- El WSM es más popular, por lo que existen más alternativas de munición comercial y mayor cantidad de datos para la carga manual .
| Cartucho | peso de bala | Velocidad de salida | energía en la boca del cañón |
|---|---|---|---|
| .30-06 Springfield | 200 | 2,569 | 2,932 |
| .300 RSAUM | 200 | 2,790 | 3,458 |
| .300 WSM | 200 | 2,822 | 3,538 |
| .300 Win Mag | 200 | 2,877 | 3,677 |
| .300 H&H Mágnum | 200 | 2,913 | 3,769 |
| .300 Wby Mag | 200 | 2,987 | 3,963 |
| .300 RUM | 200 | 3,154 | 4,419 |
Referencias
- ↑ The .300 Remington Short Action Ultra Mag by Chuck Hawks
- ↑ «.308 Caliber reloading data at Accurate Powder». Archivado desde el original el 25 de agosto de 2007. Consultado el 6 de agosto de 2007.
- ↑ «Accurate Powder reload data table» (PDF). Archivado desde el original el 20 de marzo de 2009. Consultado el 9 de febrero de 2009.